Для студентов МГТУ им. Н.Э.Баумана по предмету Учебно-технологическая практика (УТП)Обработка заготовок фрезерованиемОбработка заготовок фрезерованием
4,92522909
2022-08-042024-08-31СтудИзба
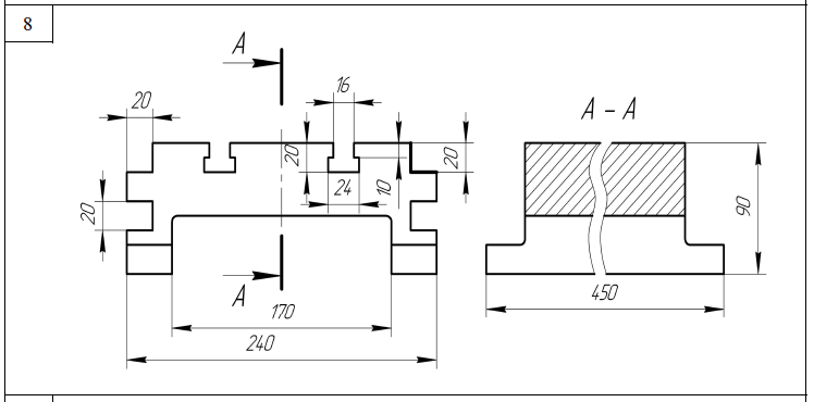
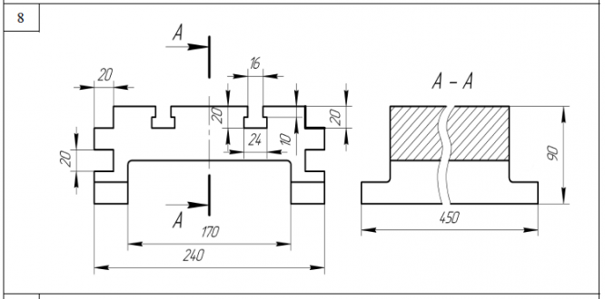
Лабораторная работа 7: Обработка заготовок фрезерованием вариант 8
-52%
Описание
Файлы условия, демо
Характеристики лабораторной работы
Учебное заведение
Семестр
Номер задания
Вариант
Просмотров
4
Качество
Идеальное компьютерное
Размер
1,15 Mb
Список файлов
(1).jpg
(2).jpg
(3).jpg
(4).jpg

Вам все понравилось? Получите кэшбэк - 40 рублей на Ваш счёт при покупке. Поставьте оценку и напишите положительный комментарий к купленному файлу. После Вы получите деньги на ваш счет.