Курсовая работа: Установки
Описание
РЕФЕРАТ
Пояснительная записка содержит 40 страниц, 5 рисунков, 5 графиков, 24 таблицы
ПАРОТУРБИННАЯ УСТАНОВКА, ГАЗОТУРБИННАЯ УСТАНОВКА, ПАРОГАЗОВАЯ УСТАНОВКА, ТЕРМОДИНАМИЧЕСКИЕ ПАРАМЕТРЫ, ТЕРМИЧЕСКИЙ КПД, УДЕЛЬНАЯ РАБОТА СЖАТИЯ, ГАЗОТУРБИННАЯ УСТАНОВКА, ВНУТРЕННИЙ КПД, СТЕПЕНЬ ПОВЫШЕНИЯ ДАВЛЕНИЯ, РАБОТА РАСШИРЕНИЯ.
Объектом работы является паротурбинная установка с регенерацией и без неё и газотурбинная установка, работающая по открытому циклу, а также парогазовая установка.
Целью работы является определение показателей эффективности паротурбинной установки и парогазовой установки и определение оптимальной степени повышения давления в газотурбинной установке.
В результате работы произведен расчет показателей эффективности работы паротурбинной установки, парогазовой установки. Определена оптимальная степень повышения давления в газотурбинной установке, при ней найдены показатели эффективности работы установки. Построены соответствующие графики.
Введение
Термодинамика наука о превращениях различных видов энергии из одного вида в другой, и о наиболее общих макроскопических свойствах материи. Она изучает различные как физические, так и химические явления, обусловленные превращениями энергии. Применение закономерностей термодинамики позволяет анализировать свойства веществ, предсказывать их поведение в различных условиях. Термодинамика дает возможность исследовать различные процессы от простых в однородных средах до сложных с физическими и химическими превращениями, биологических и др.
Термодинамический метод исследования основан на законах (началах) термодинамики и представляет собой их логическое и математическое развитие. Объект исследования в термодинамике называют термодинамической системой или, в простом случае, термодинамическим телом. Одна из особенностей метода термодинамики состоит в том, что система (тело) противопоставляется всем другим телам, которые называют окружающей средой. Термодинамика построена дедуктивно: частные выводы получены из общих законов (начал). Принято разделять термодинамику на физическую, или общую, химическую и техническую
Знание термодинамики, ее исходных идей, ее универсального метода, строгого и эффективного математического аппарата является необходимой предпосылкой подготовки инженера. Термодинамика играет важную роль в развитии научного мышления и формировании материалистического мировоззрения. 1.2. Основные параметры состояния тел
ЗАДАНИЕ №1
Расчёт паротурбинной установки
Паротурбинная установка работает по циклу Ренкина с регенерацией (рис. 1.1). Из котельного агрегата (КА) в паровую турбину (ПТ) поступает пар с давлением р1 и температурой t1. Давление пара в конденсаторе (К) равно p2. Конденсат отработавшего пара при давлении p2 и температуре насыщения подается питательным насосом (ПН) в регенеративные подогреватели (РП) поверхностного типа, где осуществляется ступенчатый подогрев питательной воды паром, отбираемым из проточной части турбины. Нагрев воды в каждом из подогревателей одинаковый. Конденсат греющего пара из подогревателей при температуре насыщения каскадно сливается в конденсатор. Недогрев питательной воды в подогревателях до температуры насыщения греющего пара равен δt = 2-10 °С. Примем степень недогрева таким образом, чтобы давление греющего пара соответствовало показаниям на h-s – диаграмме изобарам.
Дополнительно примем КПД поверхностных подогревателей – ηn=0,98; конденсатора ηк=0,99. Теплота сгорания условного топлива
Таблица 1.1 - Исходные данные для расчета
№ варианта | , МПа | , ˚С | , МПа | , - | , - | , - | Δtцв, ˚С | , Мдж/кг | Nэ, МВт | , - | , - | , ˚С |
4 | 10 | 500 | 0,008 | 0.82 | 0.66 | 0,96 | 10 | 18 | 60 | 0.94 | 0,9 | 220 |
ЗАДАНИЕ №2
Расчёт газотурбинной установки
Газотурбинная установка (ГТУ) работает по циклу Брайтона с подводом теплоты при постоянном давлении без регенерации (рис.2.1). Атмосферный воздух с давлением р1и температурой t1сжимается в компрессоре (К) и подается в камеру сгорания (КС), в которую поступает соответствующее количество топлива. Образовавшиеся продукты сгорания заданной температуры t3направляются из КС в газовую турбину (ГТ). Расширяясь в турбине, продукты сгорания понижают свою температуру и выбрасываются в окружающую среду.
Рабочее тело ГТУ считаем идеальным газом с термодинамическими свойствами воздуха.
Исходные данные для расчета сведены в таблицу 2.1.
Таблица 2.1 - Исходные данные для расчета
0,106 | -5 | 760 | 0,91 | 0,81 |
ЗАДАНИЕ №3
Расчет парогазовой установки
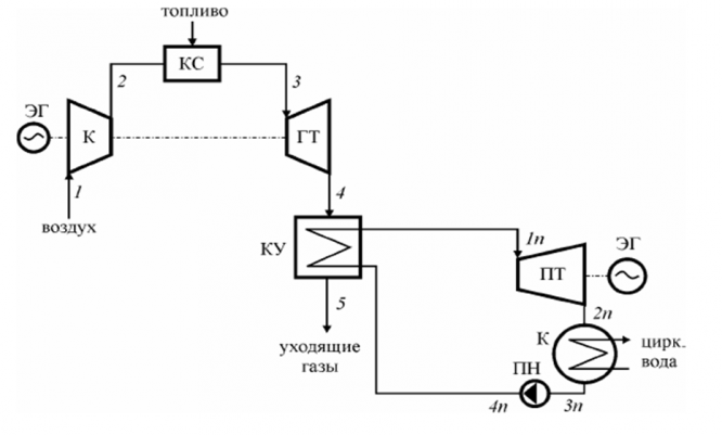
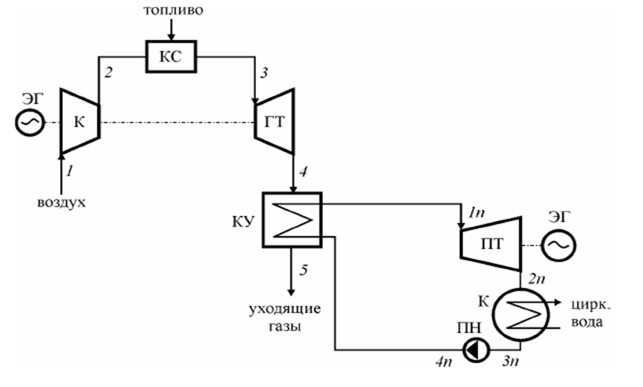
Парогазовая установка (ПГУ) бинарного типа работает по следующей схеме (рис. 3.1): воздух с давлением p1 и температурой t1 сжимается в компрессоре (К) и подается в камеру сгорания (КС), в которую поступает соответствующее количество топлива. Образовавшиеся продукты сгорания с температурой t3 направляются из КС в газовую турбину (ГТ). Расширяясь в турбине и производя работу, продукты сгорания понижают свою температуру и затем направляются в котел-утилизатор (КУ). Из КУ в паровую турбину (ПТ) поступает пар с давлением p1п и температурой t1п. Давление пара в конденсаторе (К) – p2п. Конденсат отработавшего пара при давлении p2п и температуре насыщения подается питательным насосом (ПН) обратно в КУ.
Рабочее тело газовой части считать идеальным газом с термодинамическими свойствами воздуха (сp=1,0045 кДж/(кг∙К); k=1,40; R=0,287 кДж/(кг∙К). Механический КПД генератора принять равным ηмг=0,98
Рис. 3.1 - Принципиальная схема парогазовой установки
Таблица 3.1 - Исходные данные для расчета
№ варианта | Газовая часть | Паровая часть | |||||||||||
p1, МПа | t1, 0C | t3, 0C | t5, 0C | σ, - | ηгт, - | ηк, - | G, кг/с | p1п, МПа | ∆t1п, 0C | p2п, МПа | ηпт, - | ηн, - | |
4 | 0,103 | -7 | 1270 | 85 | 17 | 0,90 | 0,76 | 65 | 6 | 395 | 0,007 | 0,90 | 0,66 |
СГТУ им. Гагарина
vitalievnatalia

















