Для студентов МГТУ им. Н.Э.Баумана по предмету Теория механизмов и машин (ТММ)Проектирование и исследование механизмов двухступенчатого воздушного компрессораПроектирование и исследование механизмов двухступенчатого воздушного компрессора
5,00541
2025-08-252025-10-01СтудИзба
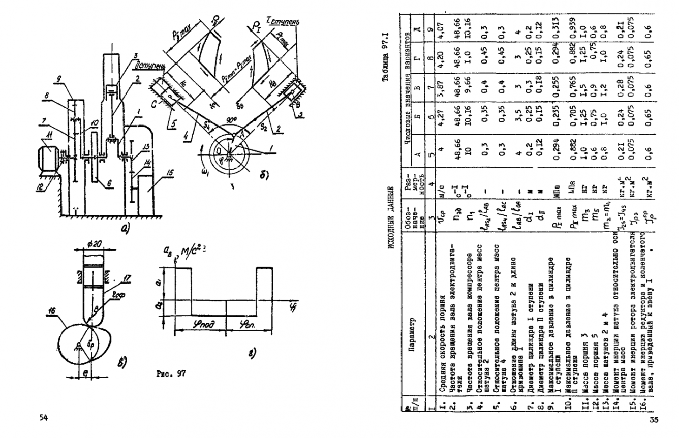
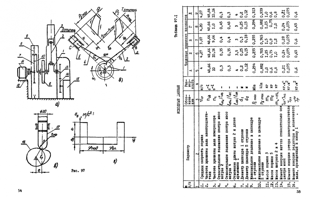
Другое 97: Проектирование и исследование механизмов двухступенчатого воздушного компрессора вариант Д
Описание
Курсовая работа по ТММ "Проектирование и исследование механизмов двухступенчатого воздушного компрессора". Вариант 97Д. Данный файл не является 100% готовой к сдачи курсовой работой. Данная работа сможет только помочь и направить Вас при выполнении своего курсового проекта.
После покупки рекомендую написать отзыв о работе или связаться с продавцом. Тем самым мы сможем проверить и дослать дополнительные файлы данного проекта.
![]()
После покупки рекомендую написать отзыв о работе или связаться с продавцом. Тем самым мы сможем проверить и дослать дополнительные файлы данного проекта.
Характеристики учебной работы
Тип
Учебное заведение
Семестр
Номер задания
Вариант
Программы
Просмотров
70
Качество
Идеальное компьютерное
Размер
5 Mb
Преподаватели
Список файлов
Лист1.pdf
Лист2.pdf
Лист4.pdf
РПЗ Степанов В.А..docx
РПЗ.pdf
Расчеты 97.mcdx
лист3.pdf
В случае проблем - пиши в чат. Буду рад, если ты оставишь положительный отзыв на мою работу!
Комментарии
Отзыв
все хорошо
МГТУ им. Н.Э.Баумана
Qqwerty228














