Для студентов СГУПС по предмету Теория механизмов и машин (ТММ)Механизмы стана холодной калибровки трубМеханизмы стана холодной калибровки труб
4,9957619
2024-03-052024-03-05СтудИзба
Курсовая работа: Механизмы стана холодной калибровки труб вариант 311
Описание
39 страниц РПЗ к Курсовому проекту:

ИСХОДНЫЕ ДАННЫЕ:
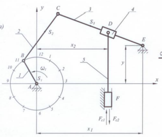
Кинематическая схема механизма пресса и график силы сопротивления приведены на рисунке 1.1, а и б соответственно. Исходные данные для рычажного механизма представлены в таблице 1.1 [Л1].
Таблица №1.1 – Исходные данные
Наименование | Параметры | Значение |
Угловая скорость кривошипа | , рад/с | 12 |
Длина AB | lAB, мм | 0,19 |
Длина BC | lBC, мм | 0,35 |
Длина CD | lCЕ, мм | 0,95 |
Положение кривошипа AB | 1 ч. | |
Расстояние от опор A до D по вертикали | y, мм | 0,19 |
Масса звена AB и BC | m1=m2, кг | 19 |
Масса звена DE | m3, кг | 100 |
Масса звеньев EF | m4, кг | 2 |
Масса ползуна F | m5, кг | 1000 |
Момент инерции звена BC | IS2, кг∙м2 | 0,15 |
Момент инерции звеньев СE | IS3, кг∙м2 | 0,29 |
Угловая скорость вала двигателя | , рад/с | 287 |
Число зубьев шестерни 3 | 13 | |
Число зубьев шестерни 4 | 33 | |
Модуль первой ступени | , мм | 2,5 |
Модуль второй ступени | 4 | |
Сила сопротивления ползуна 1 | Fc1, кН | 15 |
Сила сопротивления ползуна 2 | Fc2, кН | 1,1 |
Коэффициент неравномерности | δ | 0,06 |
ДЕМО



Кинематическая схема механизма пресса и график силы сопротивления приведены на рисунке 1.1, а и б соответственно. Исходные данные для рычажного механизма представлены в таблице 1.1 [Л1]..
Характеристики курсовой работы
Учебное заведение
Вариант
Программы
Просмотров
3
Качество
Идеальное компьютерное
Размер
652,95 Kb
Список файлов
Механизмы стана холодной калибровки труб.docx

Если работа Вам была полезна, Пожалуйста, потратьте несколько секунд, чтобы оставить нам 5 ЗВЁЗД и положительный отзывы. Мы Вам глубоко признателены!