Для студентов МГТУ им. Н.Э.Баумана по предмету Теория механизмов и машин (ТММ)Проектирование и исследование механизма кривошипно-коленного прессаПроектирование и исследование механизма кривошипно-коленного пресса
5,0053
2022-06-282025-04-07СтудИзба
Курсовая работа 31: Проектирование и исследование механизма кривошипно-коленного пресса вариант Б
-50%
Описание
Проектирование и исследование механизма кривошипно-коленного пресса
Содержание
- Реферат 3
- 1 ТЕХНИЧЕСКОЕ ЗАДАНИЕ 4
- 1.1 Постановка задачи 4
- 1.2 Исходные данные 5
- 2 ОПРЕДЕЛЕНИЕ ЗАКОНА ДВИЖЕНИЯ МЕХАНИЗМА 7
- 2.1 Синтез основного механизма 7
- 2.1.1 Определение размеров механизма 7
- 2.2 Определение функций положения и передаточных функций 8
- 2.2.1 Определение функций положения звеньев 8
- 2.2.2 Определение передаточных функций 9
- 2.2.3 Определение средней скорости начального звена 11
- 2.3 Построение динамической модели 11
- 2.3.1. Приведение сил 12
- 2.3.2 Приведение масс 13
- 2.3.3 Расчет работ и кинетических энергий 14
- 2.3.4 Построение диаграммы угловой скорости 15
- 2.3.5 Определение момента инерции дополнительной маховой массы (маховика) 16
- 2.3.6 Габаритные размеры и масса маховика 16
- 3 СИЛОВОЙ РАСЧЕТ МЕХАНИЗМА 17
- 3.1 Определение углового ускорения звена приведения 17
- 3.2 Определение сил, действующих на механизм 17
- 3.3 Составление уравнений для звеньев механизма 19
- 3.4 Решение системы уравнения матричным методом 21
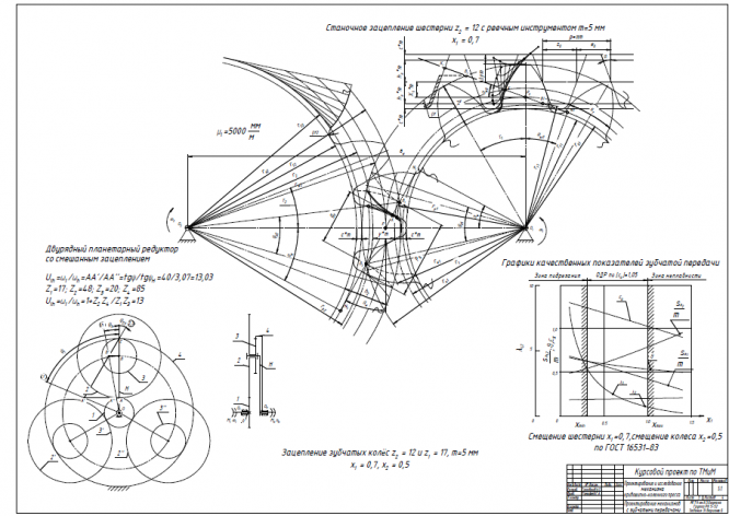
- 4. ПРОЕКТИРОВАНИЕ ЦИЛИНДРИЧЕСКОЙ ЭВОЛЬВЕНТНОЙ ЗУБЧАТОЙ ПЕРЕДАЧИ И ПЛАНЕТАРНОГО РЕДУКТОРА 23
- 4.1 Проектирование зубчатой передачи 23
- 4.1.1. Геометрический расчет эвольвентой зубчатой передачи внешнего зацепления 23
- 4.1.2 Выбор коэффициентов смещения 25
- 4.1.3 Результаты расчета зубчатой передачи 26
- 4.2 Проектирование планетарного редуктора 27
- 4.2.1 Исходные данные для проектирования 27
- 4.2.2 Расчет планетарного редуктора 27
- 5 ПРОЕКТИРОВАНИЕ КУЛАЧКОВОГО МЕХАНИЗМА 29
- 5.1 Исходные данные для проектирования 29
- 5.2 Построение диаграмм передаточных функция кулачка 29
- 5.3 Построение фазового портрета 30
- 5.4 Построение центрового и конструктивного профиля кулачка 31
- 5.4 Построение графика угла давления 32
- ЗАКЛЮЧЕНИЕ 33
- Список использованной литературы 34
Реферат
Расчетно-пояснительная записка к курсовому проекту «Проектирование и исследование механизма кривошипно-коленного пресса » на 3 листах А2 и одном листе А1, содержит 34 страницы машинописного текста, 25 рисунков, 7 таблиц, 4 приложения (31 страница).В пояснительной записке приведено: проектирование основного механизма кривошипно-коленного пресса, определение закона движения звена приведения, расчет дополнительной маховой массы, кинетостатический силовой расчет основного рычажного механизма, проектирование цилиндрической эвольвентной зубчатой передачи, проектирование двухрядного планетарного механизма, проектирование кулачкового механизма с силовым замыканием высшей пары.
1. Техническое задание
1.1 Постановка задачи
Кривошипно-коленный пресс (рис.1.1, а) предназначается для штамповки, холодной калибровки и чеканки. Высадочный (основной) механизм 1, 2, 3, 4, 5 является кривошипно-коромысловым. Коромысло 3 выполнено в виде шарнирного треугольника. Благодаря такой схеме рабочие скорости ползуна в конце хода малы, жесткость механизма пресса увеличивается. Коленчатый вал 1 высадочного механизма приводится в движение от электродвигателя 11 при помощи планетарного редуктора 12 и зубчатой передачи Z5, Z6. Маховик 10 размещен на валу 1 (рис. 1.1, б). Высадочный ползун 5 с закрепленным в нем пуансоном, совершая по вертикали возвратно-поступательное движение, осуществляет деформацию заготовки. Диаграмма усилий высадки представлена на рис. 1.1, в. Значения усилий высадки см. рис. 1.1, г. Подача заготовки производится при холостом ходе (вверх) ползуна 5. Механизм подачи состоит из кулачка 6, закрепленного на коленчатом валу 1, коромыслового толкателя 7 и тяги 8 с ползуном 9, снабженным приспособлением для подачи заготовки (рис. 1.1, а). Закон изменения ускорения толкателя см. рис. 1.2.

1.2 Исходные данные
Исходные данные для проектирования приведены в таблице 1.1Таблица 1.1 Данные для проектирования
№ п/п | Наименование параметров | Обозначение | Размерность | Числовые значения |
1 | Число оборотов электродвигателя | nном | об/ мин | 2920 |
2 | Число оборотов кривошипа | n1 | об/ мин | 160 |
3 | Ход ползуна при высадке | Hв | м | 0,035 |
4 | Отношение высадочного хода ползуна к его полному ходу | Hв/ HF | - | |
5 | Максимальное усилие высадки | Pc max | Н | 8000 |
6 | Длина коромысла | lBC=lCD | м | 0,20 |
7 | Отношение длин для коромысла 3 | lBC/ lBD | - | 2 |
8 | Расстояние между осями вращения кривошипа 1 и коромысла 3 | lCOx | м | 0,30 |
9 | Длина шатуна 4 | lDF | м | 0,18 |
10 | Коэффициент изменения средней скорости коромысла | Kω | - | 1,15 |
11 | Отношение, определяющее положение центра тяжести шатуна 2 | lAS2/ lAB | - | 0,5 |
12 | Вес шатуна 2 | G2 | Н | 35 |
13 | Вес коромысла 3 | G3 | Н | 45 |
14 | Вес ползуна 5 | G5 | Н | 90 |
15 | Момент инерции шатуна 2 | J2S | кг·м2 | 0,023 |
16 | Момент инерции коромысла 3 относительно оси С | J3C | кг·м2 | 0,040 |
17 | Коэффициент неравномерности вращения вала кривошипа | δ | - | |
18 | Маховой момент ротора электродвигателя и маховой момент планетарного редуктора с зубчатым колесом 5, приведенный к валу электродвигателя | mD2 | кг·м2 | 0,09 |
19 | Момент инерции вала кривошипа | J’10 | кг·м2 | 0,2 |
20 | Угловая координата кривошипа для силового расчета | φ1 | град | 120 |
21 | Угол поворота толкателя | Ψ7 | град | 22 |
22 | Длина толкателя | lKN | м | 0,13 |
23 | Максимально допустимый угол давления в кулачковом механизме | αдоп | град | 35 |
24 | Угол рабочего профиля кулачка δраб=φраб= φпод+ φсп | φпод. φсп. | град град | 90 60 |
25 | Числа зубьев колес | Z5 Z6 | - - | 12 17 |
26 | Модуль зубчатых колес | m | мм | 5 |
27 | Число сателлитов в планетарном редукторе | К | - | 3 |
28 | Параметры исходного контура реечного инструмента | α0 h*a c* | град - - | 20 1 0,25 |
Чертежи
Лист 1 - Определение закона движения
Лист 2 - Силовой расчет ![]()
Лист 3 - Проектирование механизмов с зубчатыми передачам ![]()
Лист 4 - Проектирование кулачкового механизма ![]()
Расчеты в Mathcad Prime ![]()
Характеристики курсовой работы
Учебное заведение
Семестр
Номер задания
Вариант
Программы
Просмотров
217
Качество
Идеальное компьютерное
Размер
4,4 Mb
Список файлов
Проектирование и исследование механизма кривошипно-коленного пресса
Чертежи
Лист 1 - Определение закона движения.pdf
Лист 2 - Силовой расчет.pdf
Лист 3 - Проектирование механизмов с зубчатыми передачами.pdf
Лист 3.dwg
Лист 4 - Проектирование кулачкового механизма.pdf
Листы 1,2,4.dwg
Лист 1-2 - Mathcad Prime.mcdx
Лист 4 - Mathcad Prime.mcdx
Приложение.doc
РПЗ.docx

Вам все понравилось? Получите кэшбэк - 40 рублей на Ваш счёт при покупке. Поставьте оценку и напишите положительный комментарий к купленному файлу. После Вы получите деньги на ваш счет.