Для студентов МГТУ им. Н.Э.Баумана по предмету Теория механизмов и машин (ТММ)Проектирование и исследование механизмов четырехтактного двигателя внутреннего сгоранияПроектирование и исследование механизмов четырехтактного двигателя внутреннего сгорания
5,0054
2021-07-212025-04-07СтудИзба
Курсовая работа 14: Проектирование и исследование механизмов четырехтактного двигателя внутреннего сгорания вариант Д
-50%
Описание
Проектирование и исследование механизмов четырехтактного двигателя внутреннего сгорания
Реферат
Пояснительная записка включает техническое задание, основную часть из 4-х разделов, заключение и список использованных источников из 6 наименований; содержит 8 рисунков,5 таблиц и 1 приложение; общий объем записки — _48__ страниц.Ключевые слова: основной механизм, передаточные кинематические функции, динамическая модель, суммарный приведенный момент, суммарный приведенный момент инерции, закон движения звена приведения, маховая масса; силовой кинетостатический расчет; цилиндрическая эвольвентная зубчатая передача; планетарная передача; кулачковый механизм.
В пояснительной записке описано проектирование:
основного рычажного механизма, включающее определение его недостающих размеров, кинематический анализ, определение закона движения и силовой кинетостатический расчет;
открытой цилиндрической эвольвентной зубчатой передачи, включающее определение коэффициентов смещения колес, построение профиля зубьев, нарезаемых реечным инструментом, построение схемы зубчатого зацепления;
планетарной передачи с эвольвентными зацеплениями, включающее определение чисел зубьев колес;
кулачкового механизма, включающее определение его кинематических передаточных функций и основных размеров, определение координат и построение профиля кулачка.
В процессе выполнения курсовой работы использовались следующие программные продукты:
· система верстки (текстовый редактор) MicrosoftWord2013;
· система автоматизированного проектирования Kompas 3D;
· системы математических расчетов MathCAD 15.
Содержание
- Техническое задание. 6
- Основная часть. 10
- 1. Проектирование основного механизма и определение закона его движения. 10
- 1.1. Определение недостающих размеров основного рычажного механизма по заданным условиям. 10
- 1.2. Кинематический анализ основного механизма. Нахождение кинематических передаточных функций. 11
- 1.3. Построение диаграммы движущей силы. 12
- 1.4. Определение закона движения механизма под действием заданных внешних сил. Определение приведенного момента инерции. 13
- 1.5. Определение приведенного момента сил. 14
- 1.6. Построение графика суммарной работы внешних сил. Определение кинетической энергии звеньев механизма. 16
- 1.7. Определение угловой скорости звена приведения. 17
- 1.8. Определение углового ускорения звена приведения. 18
- 1.9. Определение момента инерции дополнительной маховой массы. 18
- 1.10. Определение размеров и массы маховика. 19
- 2. Силовой кинетостатический расчет механизма. 20
- 2.1. Цель и задачи силового расчета. 20
- 2.2. Определение скоростей точек механизма и угловых скоростей звеньев. 21
- 2.3. Определение ускорений точек и угловых ускорений звеньев механизма. 21
- 2.4. Определение главных векторов и главных моментов сил инерции. 22
- 2.5. Определение реакций в кинематических парах механизма. 23
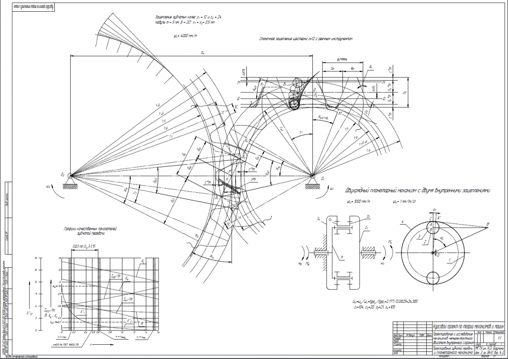
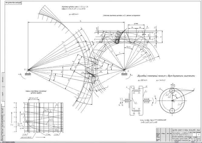
- 3. Проектирование открытой цилиндрической зубчатой передачи и планетарной передачи с эвольвентными зацеплениями. 26
- 3.1. Проектирование зубчатой передачи. 26
- 3.1.1. Задачи проектирования. 26
- 3.1.2. Проектирование открытой зубчатой передачи. 26
- 3.1.3. Выбор коэффициентов смещения колес. 27
- 3.1.4. Построение профиля зубьев, нарезаемых реечным инструментом. 29
- 3.1.5. Построение схемы зубчатого зацепления передачи. 31
- 3.2. Проектирование планетарной передачи. 32
- 3.2.1. Исходные данные. 32
- 3.2.2. Выбор числа зубьев колес планетарного редуктора. 32
- 4. Проектирование кулачкового механизма. 35
- 4.1. Исходные данные для проектирования. 36
- 4.2. Определение кинематических передаточных функций. 37
- 4.3. Определение основных размеров механизма. 38
- 4.4. Определение координат и построение профиля кулачка. 39
- Приложение 1. Таблица идентификаторов программы ZUB.EXE и результаты расчета. 41
- Заключение. 46
- Список использованных источников. 48
Техническое задание
Четырехтактный двигатель внутреннего сгорания служит в качестве привода электрогенератора. Основной механизм двигателя (рис 1, а) — кривошипно-ползунный, состоящий из трех подвижных звеньев 1 — коленчатый вал, 2 — шатун, 3 — поршень. Вал электрогенератора связан с коленчатым валом. Цикл работы четырехтактного двигателя совершается за два оборота коленчатого вала. Изменение давления в цилиндре двигателя в зависимости от положения поршня представлено на индикаторной диаграмме (рис 1, б), данные для построения которой приведены в табл. 2.Кулачковые механизмы (рис 1, а) предназначены для открытия и закрытия впускного и выпускного клапанов. Кулачки 4, 4' — дисковые, вращающиеся, закреплены на распределительном валу (N), кинематически связанном с коленчатым валом зубчатыми передачами 6—7 и 6'—7' (число оборотов распределительного вала в два раза меньше числа оборотов коленчатого вала) Толкатели 5, 5' — роликовые, поступательно движущиеся, с внеосностью е. Закон изменения ускорения толкателя изображен на рис 1в.
При проектировании и исследовании механизмов двигателя считать известными параметры, приведенные в табл. 1.
В установке отсутствует планетарный редуктор, проектирование которого провести по дополнительному заданию.



Таблица 1
Исходные данные | ||||
№ п/п | Наименование параметра | Обозначение | Размерность | Числовое значение |
1 | Средняя скорость поршня | vср. | м/с | 4,28 |
2 | Диаметр цилиндра | d | м | 0,16 |
3 | Отношение длины шатуна к длине кривошипа | LAB/LOA | - | 3.5 |
4 | Отношение расстояния от точки А до центра тяжести шатуна к длине шатуна | LAS2 /LAB | - | 0,38 |
5 | Число оборотов коленчатого вала | n1 | об/мин | 800 |
6 | Коэффициент неравномерности вращения коленчатого вала | δ | - | 1/100 |
7 | Масса шатуна | М2 | кг | 12 |
8 | Масса плунжера | М3 | кг | 19 |
9 | Момент инерции шатуна относительно оси, проходящей через его центр тяжести | IS2 | кг·м·с2 | 0,031 |
10 | Максимальное давление в цилиндре поршня | Pmax | кг/см2 | 30 |
11 | Момент инерции вращающихся звеньев, приведённый к валу кривошипа | I вр пр | кг·м·с2 | 1,5 |
12 | Угловая координата кривошипа для силового расчёта (рис. 1, а) | j1 | град | 30 |
13 | Закон изменения ускорения толкателя (рис. 1, а) | - | - | А |
14 | Величина подъёма толкателя впускного клапана | hв | м | 0,006 |
15 | Рабочий угол профиля кулачка впускного клапана | dраб. | град | 110 |
16 | Угол поворота кулачка, соответствующий дальнему стоянию толкателя | φвыст | град | 0 |
17 | Максимально допустимый угол давления в кулачковом механизме | ϑдоп. | град | 30 |
18 | Внеосность толкателя кулачкового механизма | e | м | 0,0045 |
19 | Числа зубьев колес 6 и 7 (рис. 1, а) | Z6 | - | 12 |
Z7 | - | 24 | ||
20 | Модуль колес 6 и 7 | m | мм | 5 |
21 | Угол наклона зуба для колес 6 и 7 | β | град | 20 |
22 | Параметры исходного контура реечного инструмента | α0 | град | 20 |
ha* | - | 1 | ||
c* | - | 0,25 |
Путь поршня (в долях хода) | sв/H | 0 | 0.05 | 0.0665 | 0.1 | 0.2 | 0.3 | 0.4 | 0.5 | 0.6 | 0.7 | 0.8 | 0.9 | 1 |
Всасывание | p/pmax | 0 | -0,01 | -0,01 | -0,01 | -0,01 | -0,01 | -0,01 | -0,01 | -0,01 | -0,01 | -0,01 | -0,01 | -0,01 |
Сжатие | 0,46 | 0,31 | 0,28 | 0,245 | 0,17 | 0,104 | 0,066 | 0,038 | 0,02 | 0,01 | 0,01 | 0 | -0,01 | |
Расширение | 0,46 | 0,9 | 1 | 0,85 | 0,56 | 0,4 | 0,31 | 0,245 | 0,2 | 0,16 | 0,12 | 0,097 | 0,047 | |
Выхлоп | 0 | 0,01 | 0,01 | 0,01 | 0,01 | 0,01 | 0,01 | 0,01 | 0,01 | 0,01 | 0,01 | 0,01 | 0,047 |
Чертежи
Лист 1 - Определение законов движения ![]()
Лист 2 - Силовой анализ ![]()
Лист 3 - Проектирование зубчатой передачи и планетарного редуктора ![]()
Лист 4 - Проектирование кулачкового механизма ![]()
Характеристики курсовой работы
Учебное заведение
Семестр
Номер задания
Вариант
Просмотров
108
Качество
Идеальное компьютерное
Размер
2,14 Mb
Список файлов
Проектирование и исследование механизмов четырехтактного двигателя внутреннего сгорания
Лист 1.cdw
Лист 1.pdf
Лист 2.cdw
Лист 2.pdf
Лист 3.cdw
Лист 3.pdf
Лист 3.xls
Лист 3.xmcd
Лист 4.cdw
Лист 4.pdf
РПЗ.docx
Расчет.xmcd

Вам все понравилось? Получите кэшбэк - 40 рублей на Ваш счёт при покупке. Поставьте оценку и напишите положительный комментарий к купленному файлу. После Вы получите деньги на ваш счет.