Для студентов МГТУ им. Н.Э.Баумана по предмету Теория механизмов и машин (ТММ)Проектирование и исследование механизмов судовой силовой установки с двигателем внутреннего сгоранияПроектирование и исследование механизмов судовой силовой установки с двигателем внутреннего сгорания
5,0059
2013-10-202025-04-07СтудИзба
Курсовая работа 22: Проектирование и исследование механизмов судовой силовой установки с двигателем внутреннего сгорания
-50%
Описание
Проектирование и исследование механизмов судовой силовой установки с двигателем внутреннего сгорания - 22Б
Оглавление
- Реферат 3
- 1. Техническое задание 3
- 1.1. Техническое задание на проектирование 3
- 1.2. Краткое описание работы механизма 4
- 1.3. Исходные данные 7
- 2. Определение закона движения механизма 9
- 2.1. Синтез основного механизма 9
- 2.2. Определение передаточных функций 10
- 2.3. Индикаторная диаграмма 11
- 2.4. Выбор динамической модели механизма и определение суммарного момента 11
- 2.5. Построение диаграммы приведенных моментов 13
- 2.6. Построение диаграммы суммарной работы и диаграммы движущих сил 14
- 2.7. Построение диаграммы кинетических энергий 15
- 2.8. Определение необходимого момента инерции маховых масс первой группы 16
- 2.9. Построение графика угловой скорости 16
- 2.10. Определение размера маховика 17
- 3. Силовой расчет механизма 18
- 3.1. Исходные данные для силового расчёта механизма 18
- 3.2. Построение плана скоростей 19
- 3.3. Построение плана ускорений 19
- 3.4. Определение инерционных характеристик 21
- 3.5. Силовой расчет механизма 21
- 3.5.1. Силовой расчёт группы звеньев 2-3 21
- 3.5.2. Силовой расчет группы звеньев 4-5 22
- 3.5.3. Силовой расчет начального звена 1 22
- 4. Проектирование кулачкового механизма 23
- 4.1. Построение кинематических диаграмм методом графического интегрирования 23
- 4.2. Определение основных размеров кулачкового механизма 23
- 4.3. Построение профиля кулачка 23
- 5. Проектирование зубчатых передач и планетарного редуктора 24
- 5.1. Построение профиля зуба колеса, изготовляемого реечным инструментом 24
- 5.1.1. Расчет параметров зубчатой передачи 24
- 5.1.2. Построение станочного зацепления 25
- 5.2. Построение проектируемой зубчатой передачи 25
- 5.3. Расчет планетарного редуктора 26
- Заключение 28
- Список использованной литературы 28
Реферат
Расчетно-пояснительная записка к курсовому проекту " Проектирование и исследование механизмов судовой силовой установки с двигателем внутреннего сгорания " содержит 28 страниц машинописного текста, 12 рисунков, 2 таблицы. В расчетно-пояснительной записке приведено: проектирование основного механизма поперечно-строгального станка, определение закона движения звена приведения, расчет дополнительной маховой массы, кинетостатический силовой расчет основного рычажного механизма, проектирование цилиндрической эвольвентной зубчатой передачи, проектирование двухрядного планетарного механизма, проектирование кулачкового механизма с силовым замыканием высшей пары.Техническое задание
Техническое задание на проектирование
Определить основные размеры звеньев по заданным условиям (средняя скорость поршня, число оборотов коленчатого вала на холостом ходу).Определить момент инерции маховых масс, обеспечивающих заданный коэффициент неравномерности при установившемся режиме на холостом ходу.
Построить диаграмму изменения угловой скорости коленчатого вала для установившегося режима работы на холостом ходу.
Построить картину силового нагружения механизма.
Определить силовые факторы в кинематических парах при значении угловой координаты кривошипа 30°.
Построить кинематические диаграммы движения толкателя.
Определить минимальные размеры кулачка из условия недопустимости заклинивания.
Построить диаграмму изменения угла давления в зависимости от поворота кулачка.
Спроектировать зубчатую передачу одноступенчатого редуктора.
Спроектировать планетарный реверс (реверсивную муфту).
Краткое описание работы механизма
Судовая силовая установка с двигателем внутреннего сгорания мощностью 40—80 л.с. используется в качестве главной на буксирных катерах небольшой мощности и транспортных судах речного флота. Такая силовая установка располагается в кормовой части судна (рис.1.1) и состоит из следующих основных частей: двухцилиндрового двигателя внутреннего сгорания 1, реверс-редуктора 2, гребного вала 3 и гребного винта 4.
Рис. 1.1 Общий вид установки |

Рис. 1.2 Кинематическая схема механизмов двигателя |

Рис. 1.3 Индикаторная диаграмма двигателя |

Рис. 1.4 Схема кулачкового механизма |

Рис. 1.5 Закон изменения ускорения толкателя кулачкового механизма |
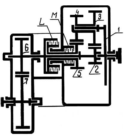
Реверс-редуктор (рис.1.6) состоит из планетарного реверса (реверсивной муфты) и одноступенчатого редуктора из цилиндрических колес 6 и 7. Планетарный реверс представляет собой дифференциал с цилиндрическими прямозубыми β=0) колесами 2, 3, 4 и 5. Вал водила 1 постоянно соединен с коленчатым валом двигателя. Колесо 7 редуктора передает вращение гребному валу и винту.
Для движения судна вперед включается фрикционная муфта L, связывающая колеса 2 и 5, вследствие чего водило 1, колеса 2, 3, 4 и 5 вращаются как одно целое вокруг геометрической оси колеса 2 и водила. Передаточное отношение реверса при этом будет равно i12 пр= +1.
При движении судна назад замыкается фрикционная муфта М (муфта L при этом выключается), вследствие чего колесо 5 останавливается и колесо 2 получает вращение в обратную сторону. Передаточное отношение реверса при этом станет i12 об= -1.
Для остановки гребного вала, а, следовательно, и судна, т. е. для холостого хода двигателя, необходимо выключить обе фрикционные муфты.

Рис. 1.6 Кинематическая схема реверс-редуктора |
Исходные данные
Таблица 1.1.Параметр | Обозначение | Размерность | Значение | |
1 | Средняя скорость поршня | (vB)ср; (vD)ср | м/с | 5 |
2 | Отношение длины шатуна к длине кривошипа | lAB/lOA; lCD/lOC | - | 3.8 |
3 | Отношение расстояния от точки А (С) до центра тяжести S2 (S4) к длине шатуна | lAS2/lAB; lCS4/lCD | - | 0.37 |
4 | Диаметр цилиндра | d | м | 0.165 |
5 | Число оборотов коленчатого вала при номинальной нагрузке | n1 | с-1 | 12.53 |
6 | Число оборотов гребного винта при номинальной нагрузке | nB= n7 | с-1 | 6.01 |
7 | Эффективная мощность двигателя при номинальной нагрузке | Ne | кВт | 44.1 |
8 | Вес коленчатого вала с маховиком | G1 | кН | 3.77 |
9 | Вес шатуна | G2, G4 | Н | 190 |
10 | Вес поршня | G3, G5 | Н | 160 |
11 | Момент инерции коленчатого вала без маховика | I10 | кг.м2 | 1.25 |
12 | Момент инерции шатуна относительно оси, проходящей через его центр тяжести | I2S; I4S | кг.м2 | 0.55 |
13 | Момент инерции движущихся частей реверс-редуктора (приведенный к входному валу) | Iпрр-р | кг.м2 | 2.0 |
14 | Маховый момент гребного вала с винтом | GD2 | кг.м2 | 156 |
15 | Механический КПД двигателя | η | - | 0.777 |
16 | Коэффициент неравномерности вращения коленчатого вала при номинальной нагрузке | δ | - | 1/100 |
17 | Угловая координата кривошипа для силового расчета | j1 | град | 30 |
18 | Наибольшее перемещение точки В толкателя | hB | м | 0.08 |
19 | Наименьший радиус кулачка, определяемый прочностью вала и кулачка | Rнм | м | 0.05 |
20 | Длина рычага ВС толкателя | lBC= l2 | м | 0.08 |
21 | Горизонтальная проекция межосевого расстояния | l1 | м | 0.06 |
22 | Отношение сторон DBCD на толкателе | LBC: lCD: lBD | - | 1:0.6:0.5 |
23 | Угол рабочего профиля кулачка | dраб | град | 216 |
24 | Отношение абсолютных значений ускорений толкателя при его подъеме | n под = | - | 1.25 |
25 | Максимально допустимый угол давления в кулачковом механизме | [ν] | град | 37 |
26 | Межосевое расстояние зубчатых колес планетарного реверса | A23=A45 | мм | 288 |
27 | Модуль зубьев колес реверса | m23 = m45 | - | 8 |
28 | Число сателлитов в планетарном реверсе | K | - | 3 |
29 | Межосевое расстояние колес редуктора | A67 | мм | 225 |
30 | Модуль зубьев колес редуктора | m67 | мм | 12 |
31 | Угол наклона линии зубьев колес редуктора | β67 | град | 30 |
32 | Параметры исходного контура реечного инструмента | a ha* c* | град - - | 20 1 0.25 |
Таблица 1.2.
Перемещение поршня в долях его хода, считая от верхнего крайнего положения s/H | Давление газа на поршень, Мпа | |
Расширение | Сжатие | |
0 | 4.856 | 3.8529 |
0.01 | 5.0423 | 3,0019 |
0.015 | 5.0620 | 2,7076 |
0.02 | 5.0620 | 2,4525 |
0.025 | 5,0423 | 2,2367 |
0.05 | 3,8357 | 1,5206 |
0.1 | 2,2955 | 0,8633 |
0.2 | 1,1674 | 0,3924 |
0.3 | 0,7358 | 0,2158 |
0.4 | 0,5101 | 0,1275 |
0.5 | 0,3826 | 0,0785 |
0.6 | 0,2845 | 0,0392 |
0.7 | 0,2256 | 0,0196 |
0.8 | 0,1766 | 0,0098 |
0.85 | 0,1079 | 0,0098 |
0.9 | 0,0098 | 0,0098 |
1.0 | 0,0098 | 0,0098 |
Чертежи
Лист 1 - Определение закона движения ![]()
Лист 2 - Силовой расчет основного механизма ![]()
Лист 3 - Проектирование кулачкового механизма ![]()
Лист 4 - Проектирование механизмов с зубчатыми передачами ![]()
Расчеты
Лист 1 ![]()
Лист 2 ![]()
Лист 3 ![]()
Лист 4 ![]()
Характеристики курсовой работы
Учебное заведение
Семестр
Номер задания
Вариант
Программы
Просмотров
2150
Качество
Идеальное компьютерное
Размер
7,63 Mb
Список файлов
Проектирование и исследование механизмов судовой силовой установки с двигателем внутреннего сгорания
Mathcad
1 лист
Данные.mcdx
Движение механизма.mcdx
Движение механизма.rtf
Диаграмма давление.mcdx
Диаграмма давление.rtf
Диаграмма силы.mcdx
Диаграмма силы.rtf
Кинетическая энергия.mcdx
Кинетическая энергия.rtf
Момент инерции маховика и суммарный момент инерции.mcdx
Момент инерции маховика и суммарный момент инерции.rtf
Построение графиков.mcdx
Предаточные функции.mcdx
Предаточные функции.rtf
Приведенные моменты инерции.mcdx
Приведенные моменты инерции.rtf
Приведенный момент.mcdx
Приведенный момент.rtf
Проектирование механизма.mcdx
Проектирование механизма.rtf
Работа моментов.mcdx
Работа моментов.rtf
Угловая скорость и ускорение 1 звена.mcdx
Угловая скорость и ускорение 1 звена.rtf
2 лист
Инерционные характеристики.mcdx
Инерционные характеристики.rtf
План скоростей.mcdx

Вам все понравилось? Получите кэшбэк - 40 рублей на Ваш счёт при покупке. Поставьте оценку и напишите положительный комментарий к купленному файлу. После Вы получите деньги на ваш счет.