Для студентов МГТУ им. Н.Э.Баумана по предмету Теория физико-химических методов обработкиРасчет электрода-инструмента для копировально-прошивочной электроэрозионной обработкиРасчет электрода-инструмента для копировально-прошивочной электроэрозионной обработки
5,0052
2025-07-292025-07-29СтудИзба
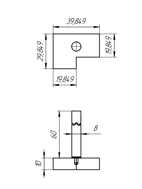
ДЗ 2: Расчет электрода-инструмента для копировально-прошивочной электроэрозионной обработки вариант 13
Описание
ДЗ сдано и защищено с первого раза. Вариант №13
![]()

Характеристики домашнего задания
Учебное заведение
Семестр
Номер задания
Вариант
Просмотров
15
Размер
293,8 Kb
Преподаватели
Список файлов
коли
дз2.docx
прошивка.cdw
прошивка.pdf
схема обработки.cdw
схема обработки.cdw.bak
схема обработки.pdf
Комментарии
Нет комментариев
Стань первым, кто что-нибудь напишет!
МГТУ им. Н.Э.Баумана
vk_154348585


















