Для студентов по предмету Теория автоматического управления (ТАУ)Сделать расчет параметров переходного процесса автоматической системы регулирования при определенных параметрах АСР в установившемся соотношении. НижеСделать расчет параметров переходного процесса автоматической системы регулирования при определенных параметрах АСР в установившемся соотношении. Ниже
5,00517922
2022-09-292022-09-29СтудИзба
Сделать расчет параметров переходного процесса автоматической системы регулирования при определенных параметрах АСР в установившемся соотношении. Ниже приводится методика подобного расчета. Рассмотреть систему, состоящую из объекта, в котором поддерж
Описание
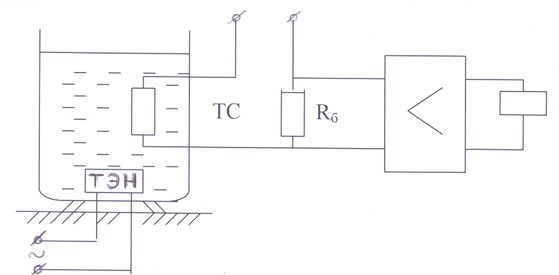
Сделать расчет параметров переходного процесса автоматической системы регулирования при определенных параметрах АСР в установившемся соотношении. Ниже приводится методика подобного расчета. Рассмотреть систему, состоящую из объекта, в котором поддерживается температура с помощью двухпозиционного регулятора в заданных пределах (рис. 17). Объект является дифференцирующим звеном.
Рис. 17
Исходные данные к задаче:
Номер варианта | UC , B | Rн.э , Ом | Too , oC | Uн.р , В | U (%)сраб. от Uн.р | Kопт |
18 | 380 | 5940 | 180 | 48 | 0,7 | 0,75 |
Теплотехнические параметры системы: теплоемкость объекта С = 50 Дж/ºС; теплообмен объекта А = 0,0835 Дж/ºС, ºС; запаздывание объекта t = 20,0.
Характеристики решённой задачи
Номер задания
Вариант
Программы
Просмотров
3
Качество
Идеальное компьютерное
Размер
168,68 Kb
Список файлов
Задача 1.docx
