Для студентов УГГУ по предмету Теория автоматического управления (ТАУ)ПРЕОБРАЗОВАНИЕ АЛГОРИТМИЧЕСКИХ СХЕМПРЕОБРАЗОВАНИЕ АЛГОРИТМИЧЕСКИХ СХЕМ
5,00511
2025-07-152025-07-16СтудИзба
ДЗ: ПРЕОБРАЗОВАНИЕ АЛГОРИТМИЧЕСКИХ СХЕМ вариант 1
Описание
Цель заключается в изучении преобразования алгоритмических схем систем автоматического управления.
В соответствии с заданным вариантом необходимо преобразовать исходную многоконтурную систему в одноконтурную с целью получения передаточных функций разомкнутого контура системы 𝑊рк (𝑝) и замкнутой системы Ф𝑖 (𝑝) по заданным каналам воздействий. Преобразование алгоритмической схемы следует осуществлять последовательно, записывая передаточные функции эквивалентных соединений. Преобразование схемы проводят аргументированно, поясняя все действия, например, “перенесём узел разветвления сигналов 1 через звено 𝑊𝑖 (𝑝) вперёд” или “перенесём сумматор 2 в сумматор 1 через звено 𝑊𝑖 (𝑝) вперёд” и т. д. Передаточные функции разомкнутой и замкнутой систем следует записать через эквивалентные передаточные функции звеньев, не раскрывая последние.
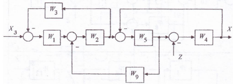
Вариант 1
![]()
В соответствии с заданным вариантом необходимо преобразовать исходную многоконтурную систему в одноконтурную с целью получения передаточных функций разомкнутого контура системы 𝑊рк (𝑝) и замкнутой системы Ф𝑖 (𝑝) по заданным каналам воздействий. Преобразование алгоритмической схемы следует осуществлять последовательно, записывая передаточные функции эквивалентных соединений. Преобразование схемы проводят аргументированно, поясняя все действия, например, “перенесём узел разветвления сигналов 1 через звено 𝑊𝑖 (𝑝) вперёд” или “перенесём сумматор 2 в сумматор 1 через звено 𝑊𝑖 (𝑝) вперёд” и т. д. Передаточные функции разомкнутой и замкнутой систем следует записать через эквивалентные передаточные функции звеньев, не раскрывая последние.
Вариант 1

Файлы условия, демо
Характеристики домашнего задания
Учебное заведение
Вариант
Просмотров
5
Качество
Идеальное компьютерное
Размер
481,56 Kb
Список файлов
1 Вариант.docx
Комментарии
Нет комментариев
Стань первым, кто что-нибудь напишет!
УГГУ
serseric

















