Для студентов по предмету Теоретические основы электротехники (ТОЭ)Рассчитать напряжения на зажимах каждого резистораРассчитать напряжения на зажимах каждого резистора
5,0053273
2025-06-282025-06-28СтудИзба
Задача: Рассчитать напряжения на зажимах каждого резистора
Описание
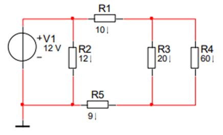
Рассчитать напряжения на зажимах каждого резистора, если I2 = 2A, R1 = 10 Oм, R2 = 12 Oм, R3 = 20 Oм, R4 = 60 Oм, R5 = 9 Oм.
![]()

Характеристики решённой задачи
Просмотров
1
Качество
Идеальное компьютерное
Размер
98,49 Kb
Список файлов
part-10.docx

Если нужен другой вариант работы или отдельная задача из любой работы, пишите в комментарии