Для студентов по предмету Теоретические основы электротехники (ТОЭ)Методом уравнений Кирхгофа рассчитать токиМетодом уравнений Кирхгофа рассчитать токи
5,0053273
2025-06-282025-06-28СтудИзба
Задача: Методом уравнений Кирхгофа рассчитать токи
Описание
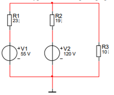
Задача №2 Методом уравнений Кирхгофа рассчитать токи.
Е1 = 55 В, Е2 =120 В, R1 = 23 Ом, R2 = 19 Ом, R3 = 10 Ом, R01 = 2 Ом, R02 = 1 Ом
![]()
Е1 = 55 В, Е2 =120 В, R1 = 23 Ом, R2 = 19 Ом, R3 = 10 Ом, R01 = 2 Ом, R02 = 1 Ом

Характеристики решённой задачи
Просмотров
2
Качество
Идеальное компьютерное
Размер
158,57 Kb
Список файлов
part-2.docx

Если нужен другой вариант работы или отдельная задача из любой работы, пишите в комментарии