Для студентов по предмету Теоретические основы электротехники (ТОЭ)Рассчитать напряжение на каждом конденсатореРассчитать напряжение на каждом конденсаторе
5,0053273
2025-06-282025-06-28СтудИзба
Задача: Рассчитать напряжение на каждом конденсаторе
Описание
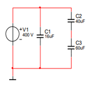
Задача №1 Рассчитать напряжение на каждом конденсаторе. С1 = 16 мкФ, С2 = 40 мкФ, С3 = 60 мкФ, U = 400 В
![]()

Характеристики решённой задачи
Просмотров
1
Качество
Идеальное компьютерное
Размер
18,44 Kb
Список файлов
part-1.docx

Если нужен другой вариант работы или отдельная задача из любой работы, пишите в комментарии