Для студентов по предмету Теоретические основы электротехники (ТОЭ)Начертить расчетную схему в соответствии с данными вариантаНачертить расчетную схему в соответствии с данными варианта
5,0053273
2025-06-272025-06-27СтудИзба
Задача: Начертить расчетную схему в соответствии с данными варианта
Описание
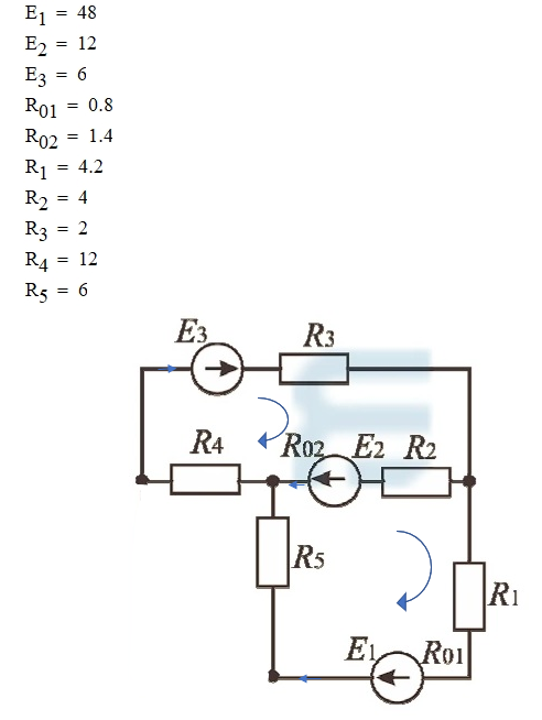
Для электрической цепи, схема которой изображена на рис. 1.1-1.50 по заданным в таблице 1 сопротивлениям и ЭДС выполнить следующее:
1. Начертить расчетную схему в соответствии с данными варианта.
2. Составить систему уравнений, необходимых для определения токов по первому и второму законам Кирхгофа.
3. Найти токи, пользуясь методом узлового напряжения.
4. Составить баланс мощностей для заданной схемы и определите режимы работы источников ЭДС.
![]()
1. Начертить расчетную схему в соответствии с данными варианта.
2. Составить систему уравнений, необходимых для определения токов по первому и второму законам Кирхгофа.
3. Найти токи, пользуясь методом узлового напряжения.
4. Составить баланс мощностей для заданной схемы и определите режимы работы источников ЭДС.

Характеристики решённой задачи
Просмотров
1
Качество
Идеальное компьютерное
Размер
332,65 Kb
Список файлов
part-1.docx

Если нужен другой вариант работы или отдельная задача из любой работы, пишите в комментарии