Для студентов по предмету Теоретические основы электротехники (ТОЭ)Расчет сложной электрической цепи постоянного токаРасчет сложной электрической цепи постоянного тока
5,0053273
2025-06-202025-06-20СтудИзба
Задача: Расчет сложной электрической цепи постоянного тока
Описание
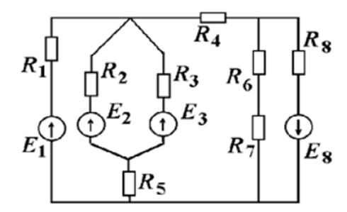
Электрические схемы, предлагаемые для расчета, пронумерованы (Рисунок 1-10). Соответствие варианта и расчетной схемы обозначено в таблице №1. Значения сопротивлений резисторов приведены в таблице №3. Значения ЭДС, действующих в ветвях, приведены в таблице №2 (Внутренними сопротивлениями источников ЭДС следует пренебречь).
Содержание работы
1. Рассчитать токи во всех ветвях электрической цепи:
а) методом непосредственного применения правил Кирхгофа;
б) методом контурных токов;
в) методом узловых потенциалов.
Результаты расчетов свести в таблицу.
2. Составить и решить уравнение баланса мощностей.
Доп. задание (по желанию): смоделировать схемы для 1 и 2 задания в среде WorkBench (или другой) и проверить, полученные токи.
Исходные данные:
![]()
Содержание работы
1. Рассчитать токи во всех ветвях электрической цепи:
а) методом непосредственного применения правил Кирхгофа;
б) методом контурных токов;
в) методом узловых потенциалов.
Результаты расчетов свести в таблицу.
2. Составить и решить уравнение баланса мощностей.
Доп. задание (по желанию): смоделировать схемы для 1 и 2 задания в среде WorkBench (или другой) и проверить, полученные токи.
Исходные данные:
№ варианта | № рисунка |
3 | 3 |


Характеристики решённой задачи
Просмотров
1
Качество
Идеальное компьютерное
Размер
477,61 Kb
Список файлов
12122024-rz-po-et.docx

Если нужен другой вариант работы или отдельная задача из любой работы, пишите в комментарии