Для студентов УрФУ им. Ельцина по предмету Теоретические основы электротехники (ТОЭ)Расчет электрической цепи синусоидального токаРасчет электрической цепи синусоидального тока
5,0053241
2025-05-052025-05-05СтудИзба
Задача: Расчет электрической цепи синусоидального тока
Описание
Дано:
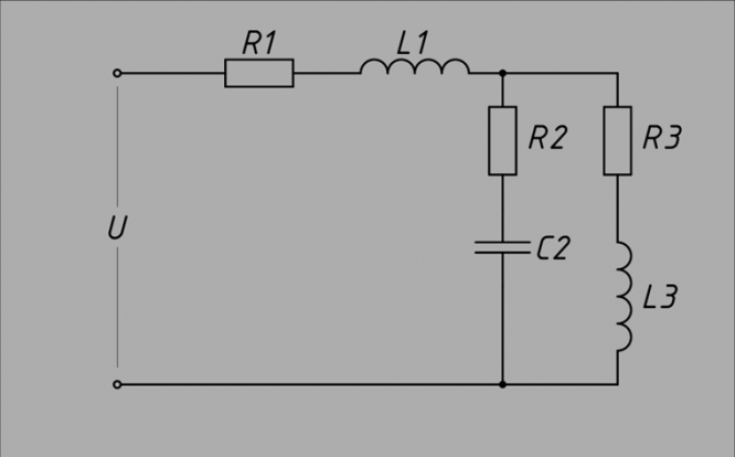
Схема соединений цепи синусоидального тока рис.1.
R1 L1 – активно-индуктивная цепь;
R2 C2 – активно-емкостная цепь;
R3 L3 – активно-индуктивная цепь.
Рисунок 1 – Схема заданной электрической цепи
Параметры элементов и электрической цепи:
R1 – 3 Ом;
L1 – 12,73 мГн;
R2 – 6 Ом;
C2 – 397,9 мкФ;
R3 – 8 Ом;
L3 – 19,1 мГн;
U = 127 В;
Частота сети f = 50 Гц.
Схема соединений цепи синусоидального тока рис.1.
R1 L1 – активно-индуктивная цепь;
R2 C2 – активно-емкостная цепь;
R3 L3 – активно-индуктивная цепь.

Рисунок 1 – Схема заданной электрической цепи
Параметры элементов и электрической цепи:
R1 – 3 Ом;
L1 – 12,73 мГн;
R2 – 6 Ом;
C2 – 397,9 мкФ;
R3 – 8 Ом;
L3 – 19,1 мГн;
U = 127 В;
Частота сети f = 50 Гц.
Характеристики решённой задачи
Учебное заведение
Просмотров
2
Качество
Идеальное компьютерное
Размер
167,92 Kb
Список файлов
otchet-k-rgr-sinus.docx

Если нужен другой вариант работы или отдельная задача из любой работы, пишите в комментарии