Для студентов по предмету Теоретические основы электротехники (ТОЭ)Исследование простых цепей переменного синусоидального токаИсследование простых цепей переменного синусоидального тока
5,0053249
2025-06-202025-06-20СтудИзба
Лабораторная работа: Исследование простых цепей переменного синусоидального тока
Описание
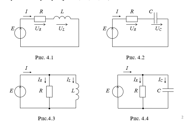
Цель работы
![]()
- Анализ соотношений между напряжениями и токами и углов сдвига фаз между ними в простых цепях переменного синусоидального тока с последовательным или параллельным соединением резисторов, конденсаторов и катушек.
- Изучение методов построения векторных диаграмм токов и напряжений для различных схем.

Вариант | 9 |
U, В | 60 |
R, Ом | 55 |
XL , Ом | 65 |
XC , Ом | 60 |
Характеристики лабораторной работы
Просмотров
2
Качество
Идеальное компьютерное
Размер
249,64 Kb
Список файлов
Лр4.docx

Если нужен другой вариант работы или отдельная задача из любой работы, пишите в комментарии