Для студентов МГТУ им. Н.Э.Баумана по предмету Теоретические основы электротехники (ТОЭ)Индуктивная катушка в цепи переменного токаИндуктивная катушка в цепи переменного тока
5,00562
2025-01-082025-04-03СтудИзба
Лабораторная работа 2: Индуктивная катушка в цепи переменного тока
Описание
ОТЧЕТ ПО ЛАБОРАТОРНОЙ РАБОТЕ №2
ПО ДИСЦИПЛИНЕ
«ТЕОРЕТИЧЕСКИЕ ОСНОВЫ ЭЛЕКТРОТЕХНИКИ»
ИНДУКТИВНАЯ КАТУШКА В ЦЕПИ ПЕРЕМЕННОГО ТОКА
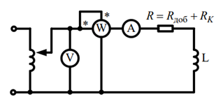
Цель работы: экспериментально изучить простейшую неразветвленную цепь, содержащей катушку и резистор на примере цепи (рис.1). Сопоставить некоторые частотные характеристики цепи, полученные расчетным путем и опытным.
Рис.1 – Схема электрической цепи
В табл. 1 укажем параметры цепи, согласно исходным данным варианта №4
Табл. 1 – Параметры элементов цепи
1. Подготовка к работе.
1.1. Измерение полного (Z), активного (R), индуктивного (XL) сопротивления цепи, её индуктивности (L), а также проводимостей полной (Y), активной (G) и реактивной (B), угла отставания тока от напряжения φ, производится посредством трёх приборов: ваттметр, амперметр, вольтметр – по схеме, представленной на рис. 1.
Параметры цепи рассчитываются по формулам:
Рисунок 2 – Векторная диаграмма электрической цепи
2.1. По заданным параметрам R и L цепи рассчитаем и построим зависимости X(f), Z(f), B(f), G(f), Y(f) в диапазоне ,
где f* - частота, при которой .
=>
ПО ДИСЦИПЛИНЕ
«ТЕОРЕТИЧЕСКИЕ ОСНОВЫ ЭЛЕКТРОТЕХНИКИ»
ИНДУКТИВНАЯ КАТУШКА В ЦЕПИ ПЕРЕМЕННОГО ТОКА
Цель работы: экспериментально изучить простейшую неразветвленную цепь, содержащей катушку и резистор на примере цепи (рис.1). Сопоставить некоторые частотные характеристики цепи, полученные расчетным путем и опытным.

В табл. 1 укажем параметры цепи, согласно исходным данным варианта №4
L, Гн | RK, Ом | Rдоб, Ом |
0,24 | 20,7 | 100 |
Табл. 1 – Параметры элементов цепи
1. Подготовка к работе.
1.1. Измерение полного (Z), активного (R), индуктивного (XL) сопротивления цепи, её индуктивности (L), а также проводимостей полной (Y), активной (G) и реактивной (B), угла отставания тока от напряжения φ, производится посредством трёх приборов: ваттметр, амперметр, вольтметр – по схеме, представленной на рис. 1.
Параметры цепи рассчитываются по формулам:

2.1. По заданным параметрам R и L цепи рассчитаем и построим зависимости X(f), Z(f), B(f), G(f), Y(f) в диапазоне ,
где f* - частота, при которой .
=>
Характеристики лабораторной работы
Учебное заведение
Номер задания
Просмотров
1
Размер
114,97 Kb
Список файлов
ТОЭ_ЛР_2.docx