Для студентов МАИ по предмету Теоретические основы электротехники (ТОЭ)Принципы наложения, взаимности, компенсации и эквивалентного источника напряжения в цепи постоянного токаПринципы наложения, взаимности, компенсации и эквивалентного источника напряжения в цепи постоянного тока
5,0053
2024-11-292025-11-28СтудИзба
Готовая лабораторная работа № 3 "ПРИНЦИПЫ НАЛОЖЕНИЯ, ВЗАИМНОСТИ, КОМПЕНСАЦИИ И ЭКВИВАЛЕНТНОГО ИСТОЧНИКА НАПРЯЖЕНИЯ В ЦЕПИ ПОСТОЯННОГО ТОКА" 3 семестр ТОЭ
Лабораторная работа 3: Принципы наложения, взаимности, компенсации и эквивалентного источника напряжения в цепи постоянного тока
Описание
Готовая лабораторная работая № 3 "ПРИНЦИПЫ НАЛОЖЕНИЯ, ВЗАИМНОСТИ, КОМПЕНСАЦИИ И ЭКВИВАЛЕНТНОГО ИСТОЧНИКА НАПРЯЖЕНИЯ В ЦЕПИ ПОСТОЯННОГО ТОКА" по ТОЭ
Цель работы
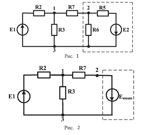
Экспериментальная проверка справедливости закона Ома, первого и второго законов Кирхгофа; определение внутренних сопротивлений источников напряжения.
Все расчеты выполнены, работа оценили на высокий балл.
Показать/скрыть дополнительное описание
Цель работы
Экспериментальная проверка справедливости закона Ома, первого и второго законов Кирхгофа; определение внутренних сопротивлений источников напряжения.
Все расчеты выполнены, работа оценили на высокий балл.
Показать/скрыть дополнительное описаниеТОЭ, тоэ, принципы наложения эквивалентного источника, принципы взаимности источника, МАИ, 3 семестр.
Характеристики лабораторной работы
Учебное заведение
Семестр
Номер задания
Программы
Просмотров
16
Качество
Идеальное компьютерное
Размер
319,5 Kb
Преподаватели
Список файлов
отчет по тоэ лр № 3.docx
Отзывы
Отзыв
отлично
МАИ


















