Для студентов по предмету Теоретические основы электротехники (ТОЭ)Для исходной схемы составить системы уравнений и записать их в матричной форме следующими методамиДля исходной схемы составить системы уравнений и записать их в матричной форме следующими методами
5,0053210
2024-12-282024-12-28СтудИзба
ДЗ: Для исходной схемы составить системы уравнений и записать их в матричной форме следующими методами
Описание
Содержание задания.
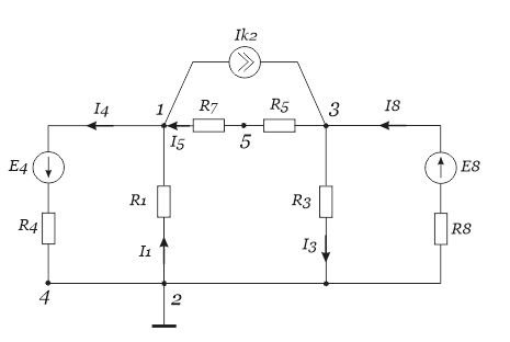
1. Для исходной схемы составить системы уравнений и записать их в матричной форме следующими методами:
- по законам Кирхгофа;
- методом контурных токов;
- методом узловых потенциалов.
2. Провести расчет всех токов методами контурных токов и узловых потенциалов, составить сравнительную таблицу расчета токов различными методами.
3. Провести проверку расчета токов по законам Кирхгофа. Составить баланс мощности.
4. Если задан вольтметр, определить его показание.
5. Рассчитать указанный в карточке ток методом наложения:
- от действия указанного там же источника тока методом пропорционального пересчета;
- от действия остальных источников любым иным методом.
6. Рассчитать указанный в карточке ток методом эквивалентного генератора.
![]()
1. Для исходной схемы составить системы уравнений и записать их в матричной форме следующими методами:
- по законам Кирхгофа;
- методом контурных токов;
- методом узловых потенциалов.
2. Провести расчет всех токов методами контурных токов и узловых потенциалов, составить сравнительную таблицу расчета токов различными методами.
3. Провести проверку расчета токов по законам Кирхгофа. Составить баланс мощности.
4. Если задан вольтметр, определить его показание.
5. Рассчитать указанный в карточке ток методом наложения:
- от действия указанного там же источника тока методом пропорционального пересчета;
- от действия остальных источников любым иным методом.
6. Рассчитать указанный в карточке ток методом эквивалентного генератора.
Номер ветви | Узлы Н-К | R, Ом | Е, В | Ik, А |
1 | 2-1 | 500.00 | .0 | .000 |
2 | 1-3 | 0.00 | .0 | .020 |
3 | 3-2 | 400.00 | .0 | .000 |
4 | 1-4 | 400.00 | 5.0 | .000 |
5 | 3-5 | 200.00 | .0 | .000 |
6 | 2-4 | 0.00 | .0 | .000 |
7 | 5-1 | 200.00 | .0 | .000 |
8 | 4-3 | 500.00 | 4.0 | .000 |

Характеристики домашнего задания
Просмотров
2
Качество
Идеальное компьютерное
Размер
221,65 Kb
Список файлов
ТОЭ.docx

Если нужен другой вариант работы или отдельная задача из любой работы, пишите в комментарии