Главная » Учебные материалы » Теоретические основы электротехники (ТОЭ) » Курсовые работы » Несколько классов/семестров » Исследование трехфазных электрических цепей в стационарном и переходном режимах
Для студентов по предмету Теоретические основы электротехники (ТОЭ)Исследование трехфазных электрических цепей в стационарном и переходном режимахИсследование трехфазных электрических цепей в стационарном и переходном режимах
5,0053643
2025-06-16СтудИзба

Курсовая работа: Исследование трехфазных электрических цепей в стационарном и переходном режимах

Описание

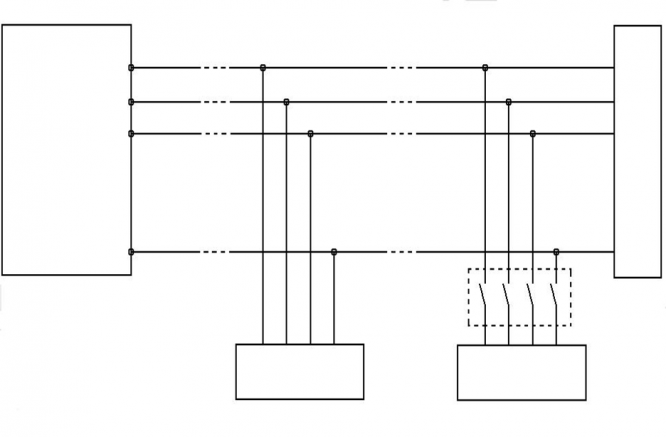
В трехфазную промышленную сеть с линейным напряжением Uл=380 В (50 Гц) включены два потребителя 1 и 2 (рис. 1). Первый потребитель представляет собой резистивную несимметричную нагрузку, соединенную «звездой» с нулевым проводом, мощности фаз которой составляют РА=7,6 кВт; РВ=5 кВт; РС=4 кВт.
Второй потребитель является симметричной нагрузкой с общей активной мощностью P2=58 кВт и коэффициентом мощности cosφ2=0,6 активно-индуктивного характера. Фазы второй нагрузки соединены "звездой". Для улучшения коэффициента мощности второго потребителя до cosφ2K=0,96 в сеть может быть включен компенсатор, обладающий потерями активной мощности РК=0,9 кВт.
Источник трехфазного напряжения представляет собой генератор, обмотка которого соединена "звездой" с нулевым проводом с внутренним фазным сопротивлением R0 = 24·10-3 Ом и Х0 = 29·10-2 Ом.

ЗАДАНИЕ


  1. Рассчитать токи и напряжения на элементах при отключенном
    компенсаторе, мощности потребителей и общую мощность всей сети.
    Вычислить результирующий коэффициент мощности всей сети.
Примечание. При расчете трехфазной цепи рекомендуется принять начальную фазу линейного напряжения UAB равной 450. Сопротивление линейных проводов принять равными нулю.
  1. По полученным результатам расчета построить векторные диаграммы токов и напряжений, потребителей и источника питания.
  2. Начертить развернутую схему цепи с указанием эквивалентных
    сопротивлений и индуктивностей в фазах приемников и источника.
  3. Вычислить эквивалентные параметры компенсатора из условия
    улучшения коэффициента мощности второго приемника до значения cosφ. В расчетах учесть мощность потерь в компенсаторе РК.
  4. Рассчитать трехфазную сеть при включенном компенсаторе, т.е.
    определить токи фаз компенсатора и линейные токи источника питающего два потребителя и компенсатор.
  5. Построить векторные диаграммы токов и напряжений источника и
    приемников при подключенном компенсаторе.
  6. Вычислить результирующий коэффициент мощности всей трехфазной
    сети работающей с компенсатором.
  7. Вычислить ЭДС фазы B генератора из условия реальной нагрузки при
    наличии внутреннего сопротивления генератора.
  8. В фазе С трехфазной цепи определить закон изменения токов при
    переходном процессе, при частичном коротком замыкании в приемнике.
Примечание. Под частным коротким замыканием подразумевается уменьшение эквивалентного резистивного сопротивления и индуктивности фазы приемника 2 в два раза.
  1. Построить в масштабе временную диаграмму найденной величины.
  2. Проанализировать расчеты и сделать выводы о режиме работы
    цепи без компенсатора, о назначении компенсатора; о распределении
    нагрузки и о переходных процессах в цепи.
Примечания:
  1. Для расчета переходного процесса в одной из фаз цепи рекомендуется при необходимости заменить соединение приемника 2 эквивалентным соединением «звезда» с нулевым проводом.
  2. Для упрощения анализа переходных процессов рекомендуется параллельную схему замещения фазной нагрузки компенсатора заменить эквивалентной последовательной.

Содержание:
Введение……………………………………………………………….……………..…2
Задание……………………………………………………………….……………..…..3
Для заданного варианта трехфазной сети………………………….….………..…....4
Содержание………………………………...............…………………….…….……….5
  1. Расчет трехфазной сети без компенсатора реактивной мощности второго приемника.………………………………………............…………………………….. 6
  2. Построение векторных диаграмм напряжений и токов источника и приемников.……………………..………………………………………...…...……...9
  3. Определение схемы трехфазной сети с отключенным компенсатором………………………………….……...................................................... .10
  4. Расчет параметров компенсатора …………..…………………………………………….…..11
  5. Расчет трехфазной сети при улучшенном компенсатором коэффициенте мощности второго приемника……………………………….…………………......12
  6. Построение векторных диаграмм при подключенном компенсаторе………………………………………………..………….....................13
  7. Вычисление результирующего коэффициента мощности всей цепи с подключенным компенсатором..…………………………………………………....15
  8. Вычисление фазной ЭДС генератора..………………………………………..….15
  9. Расчет переходного процесса в трехфазной цепи......................................... ..16
  10. Построение графика изменения мгновенного значения найденной величины во времени ……………………………………………………………………….....…...19
  11. Анализ результатов расчетов ……………………......................................... .21
Литература..………………………………………………………………........…….22


Характеристики курсовой работы

Просмотров
1
Качество
Идеальное компьютерное
Размер
2,4 Mb

Список файлов

175.docx
Картинка-подпись
Если нужен другой вариант работы или отдельная задача из любой работы, пишите в комментарии

Комментарии

Нет комментариев
Стань первым, кто что-нибудь напишет!
Поделитесь ссылкой:
Цена: 800 руб.
Расширенная гарантия +3 недели гарантии, +10% цены
Рейтинг автора
5 из 5
Поделитесь ссылкой:
Сопутствующие материалы
Задачи
Цепь синусоидального тока при последовательном соединении R, L и C
В цепь переменного тока последовательно включены резистор с активным сопротивлением R и конденсатор ёмкостью С
Трехфазный трансформатор
Найти токи в ветвях схемы рис. 1.18, а методом контурных токов и методом двух узлов. Сравнить результаты. Проверить выполнение баланса мощности, если J=1 А; R1=5 Ом; R2=8 Ом; R3=2 Ом; E2=16 В; E3=4 В.
В сеть переменного тока напряжением U включена цепь, состоящая из двух параллельных ветвей с сопротивлениями r1, r2 и xc (данные ниже). Определить показания приборов, реактивную мощность цепи, построить векторную диаграмму

Подобрали для Вас услуги

Вы можете использовать курсовую работу для примера, а также можете ссылаться на неё в своей работе. Авторство принадлежит автору работы, поэтому запрещено копировать текст из этой работы для любой публикации, в том числе в свою курсовую работу в учебном заведении, без правильно оформленной ссылки. Читайте как правильно публиковать ссылки в своей работе.
Свежие статьи
Популярно сейчас
Как Вы думаете, сколько людей до Вас делали точно такое же задание? 99% студентов выполняют точно такие же задания, как и их предшественники год назад. Найдите нужный учебный материал на СтудИзбе!
Ответы на популярные вопросы
Да! Наши авторы собирают и выкладывают те работы, которые сдаются в Вашем учебном заведении ежегодно и уже проверены преподавателями.
Да! У нас любой человек может выложить любую учебную работу и зарабатывать на её продажах! Но каждый учебный материал публикуется только после тщательной проверки администрацией.
Вернём деньги! А если быть более точными, то автору даётся немного времени на исправление, а если не исправит или выйдет время, то вернём деньги в полном объёме!
Да! На равне с готовыми студенческими работами у нас продаются услуги. Цены на услуги видны сразу, то есть Вам нужно только указать параметры и сразу можно оплачивать.
Отзывы студентов
Ставлю 10/10
Все нравится, очень удобный сайт, помогает в учебе. Кроме этого, можно заработать самому, выставляя готовые учебные материалы на продажу здесь. Рейтинги и отзывы на преподавателей очень помогают сориентироваться в начале нового семестра. Спасибо за такую функцию. Ставлю максимальную оценку.
Лучшая платформа для успешной сдачи сессии
Познакомился со СтудИзбой благодаря своему другу, очень нравится интерфейс, количество доступных файлов, цена, в общем, все прекрасно. Даже сам продаю какие-то свои работы.
Студизба ван лав ❤
Очень офигенный сайт для студентов. Много полезных учебных материалов. Пользуюсь студизбой с октября 2021 года. Серьёзных нареканий нет. Хотелось бы, что бы ввели подписочную модель и сделали материалы дешевле 300 рублей в рамках подписки бесплатными.
Отличный сайт
Лично меня всё устраивает - и покупка, и продажа; и цены, и возможность предпросмотра куска файла, и обилие бесплатных файлов (в подборках по авторам, читай, ВУЗам и факультетам). Есть определённые баги, но всё решаемо, да и администраторы реагируют в течение суток.
Маленький отзыв о большом помощнике!
Студизба спасает в те моменты, когда сроки горят, а работ накопилось достаточно. Довольно удобный сайт с простой навигацией и огромным количеством материалов.
Студ. Изба как крупнейший сборник работ для студентов
Тут дофига бывает всего полезного. Печально, что бывают предметы по которым даже одного бесплатного решения нет, но это скорее вопрос к студентам. В остальном всё здорово.
Спасательный островок
Если уже не успеваешь разобраться или застрял на каком-то задание поможет тебе быстро и недорого решить твою проблему.
Всё и так отлично
Всё очень удобно. Особенно круто, что есть система бонусов и можно выводить остатки денег. Очень много качественных бесплатных файлов.
Отзыв о системе "Студизба"
Отличная платформа для распространения работ, востребованных студентами. Хорошо налаженная и качественная работа сайта, огромная база заданий и аудитория.
Отличный помощник
Отличный сайт с кучей полезных файлов, позволяющий найти много методичек / учебников / отзывов о вузах и преподователях.
Отлично помогает студентам в любой момент для решения трудных и незамедлительных задач
Хотелось бы больше конкретной информации о преподавателях. А так в принципе хороший сайт, всегда им пользуюсь и ни разу не было желания прекратить. Хороший сайт для помощи студентам, удобный и приятный интерфейс. Из недостатков можно выделить только отсутствия небольшого количества файлов.
Спасибо за шикарный сайт
Великолепный сайт на котором студент за не большие деньги может найти помощь с дз, проектами курсовыми, лабораторными, а также узнать отзывы на преподавателей и бесплатно скачать пособия.
Популярные преподаватели
Добавляйте материалы
и зарабатывайте!
Продажи идут автоматически
6848
Авторов
на СтудИзбе
273
Средний доход
с одного платного файла
Обучение Подробнее