Для студентов МАИ по предмету Теоретические основы электротехники (ТОЭ)Анализ сложных электрических цепей в установившемся и переходном процессахАнализ сложных электрических цепей в установившемся и переходном процессах
5,0053327
2024-08-292024-08-29СтудИзба
Курсовая работа: Анализ сложных электрических цепей в установившемся и переходном процессах вариант 150
Описание
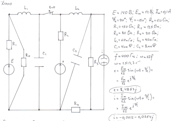
Задание 1. Расчёт установившегося режима.![]()
1.1. Расчёт токов и напряжений в цепи на постоянном токе.
1.2. Расчёт токов и напряжений в цепи на синусоидальном токе по методам контурных токов и узловых потенциалов.
1.3. Расчёт токов и напряжений в цепи по принципу наложений.
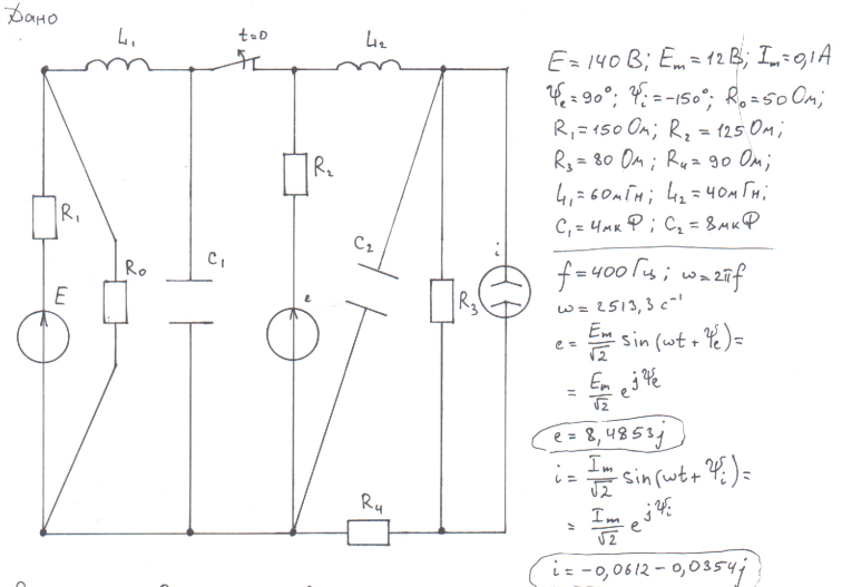
Задание 2. Расчёт переходного режима.
2.1. Расчёт переходного режима для тока на катушке индуктивности и напряжения на конденсаторе.
2.2. Проверка полученных значений в среде МАТLАВ и построение графиков.

Характеристики курсовой работы
Учебное заведение
Вариант
Программы
Просмотров
25
Качество
Скан рукописных листов
Размер
8,72 Mb
Список файлов
Kursovaia_TOE_15341050.pdf

Если нужен другой вариант работы или отдельная задача из любой работы, пишите в комментарии