Для студентов МГТУ им. Н.Э.Баумана по предмету Теоретические основы электротехники (ТОЭ)Вариант 14 - ДЗ №1 - Методы анализа линейных разветвленных электрических цепей при синусоидальных воздействияхВариант 14 - ДЗ №1 - Методы анализа линейных разветвленных электрических цепей при синусоидальных воздействиях
4,92523544
2020-10-062021-11-05СтудИзба
Курсовая работа 1: Вариант 14 - ДЗ №1 - Методы анализа линейных разветвленных электрических цепей при синусоидальных воздействиях
Описание

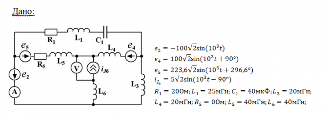
- Представим ЭДС и токи в комплексной форме:
- Найдем комплексные сопротивления ветвей:
- Метод контурных токов
- Метод эквивалентного источника ЭДС (для ветви 1)
Характеристики курсовой работы
Учебное заведение
Семестр
Номер задания
Вариант
Просмотров
86
Качество
Идеальное компьютерное
Размер
102,24 Kb
Список файлов
Вариант 14 - ДЗ №1.doc

Вам все понравилось? Получите кэшбэк - 40 рублей на Ваш счёт при покупке. Поставьте оценку и напишите положительный комментарий к купленному файлу. После Вы получите деньги на ваш счет.