Для студентов МГТУ им. Н.Э.Баумана по предмету Теоретические основы электротехники (ТОЭ)РК №2 - Задания 11, 14РК №2 - Задания 11, 14
4,92523027
2016-03-192021-11-05СтудИзба
Ответы к контрольной работе: РК №2 - Задания 11, 14
Описание
Задание 11
- Запишем токи, напряжения и сопротивления в комплексной форме:
E4 = 50 - 250 I
E5 = -100 I
J6 = -6 +2 I
R3 = 50
R4 = 25
C3 = -250 I
L5 = 25 I
L2 = 50 I
L3 = 250 I
L4 = 50 I
L6 = 50 I
- Метод эквивалентного источника
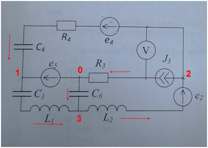
Задание 14
- Запишем токи, напряжения и сопротивления в комплексной форме:
E4 = -400 I (корень из 2)
E5 = - 100 I
J3 = -1+2 I
R3 = 100
R4 = 200
C1 = 0
C4 = -100 I
L1 = 100 I
L2 = 200 I
C6 = -50 i
- Метод узловых потенциалов

- Показания приборов
Характеристики ответов (шпаргалок) к КР
Учебное заведение
Семестр
Просмотров
687
Качество
Идеальное компьютерное
Размер
423,87 Kb
Список файлов
РК №2 - Задания 11, 14
Задание 11.docx
Задание 14.docx

Вам все понравилось? Получите кэшбэк - 40 рублей на Ваш счёт при покупке. Поставьте оценку и напишите положительный комментарий к купленному файлу. После Вы получите деньги на ваш счет.