Задача: Определение реакций связей составной конструкции
Описание
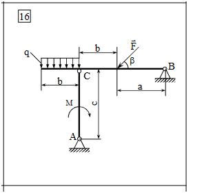
Плоская статически определимая конструкция состоит из двух частей АС
и ВС, шарнирно соединённых в узле С. Опора А неподвижна, а опора В может
быть как подвижной, так и неподвижной. Схемы конструкций приведены на
рисунках С4.3 – С4.7. Если опора В представляет собой подвижный шарнир
(схемы 1, 5, 9, 10, 12, 15, 19, 22, 23, 25, 28, 30), то опора А выполнена в виде жё-
сткой заделки. В остальных случаях, когда опора В представляет собой непод-
вижный шарнир или скользящую заделку, опора А выполнена в виде непод-
вижного шарнира. К конструкции приложена сосредоточенная сила F
, нагруз-
ка интенсивностью q , равномерно распределённая на отрезке длиной b, и пара
сил с моментом М. Направления линий действия реакции опоры B и силы F
определяются углами и . Один из бесчисленных наборов размеров a, b, c, ве-
личин углов α и β и абсолютных значений активных усилий F, q, M приведён в45
таблице С4.1. Считая ось Ах направленной «вправо », а ось Ау – «вверх », опре-
делить, в зависимости от конструкции, значения: RAх, RAу – компонент реакции
опоры А, RBх, RBу – компонент реакции опоры В, CA
y
CA
x RиR – компонент реак-
ции шарнира С, с которой звено СВ действует на звено СА, а также моментов
MA или MB, действующих со стороны заделки на участки АС или ВС соответ-
ственно, если таковая заделка имеется.

buldigerov





















