Для студентов по предмету Теоретическая механикаДля плоской балки, загруженной активными нагрузками P1, P2, М, q определить реакции опор внешних связей, наложенных на балку. Исходные данные: P1=15 кДля плоской балки, загруженной активными нагрузками P1, P2, М, q определить реакции опор внешних связей, наложенных на балку. Исходные данные: P1=15 к
5,0051
2022-04-242022-04-24СтудИзба
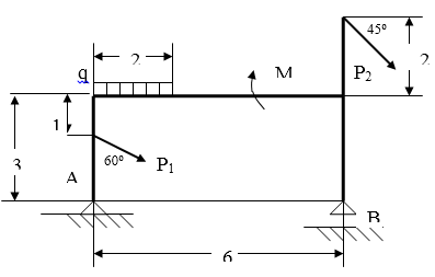
Для плоской балки, загруженной активными нагрузками P1, P2, М, q определить реакции опор внешних связей, наложенных на балку. Исходные данные: P1=15 кН; P2=20 кН; М=4 кН*м; q=3 кН/м. Определяемые величины: ZA-?; YA-?; RB-?. Расчетная сх
Описание
Для плоской балки, загруженной активными нагрузками P1, P2, М, q определить реакции опор внешних связей, наложенных на балку.
Исходные данные: P1=15 кН; P2=20 кН; М=4 кН*м; q=3 кН/м.
Определяемые величины: ZA-?; YA-?; RB-?.Расчетная схема

Характеристики решённой задачи
Предмет
Вариант
Программы
Просмотров
13
Качество
Идеальное компьютерное
Размер
66,5 Kb
Список файлов
Задача.doc
