Для студентов МГТУ им. Н.Э.Баумана по предмету Теоретическая механикаДинамические реакции подшипниковДинамические реакции подшипников
5,0052
2025-12-162025-12-16СтудИзба
ДЗ 1: Динамические реакции подшипников вариант 6
Описание
ДЗ "Динамические реакции подшипников"
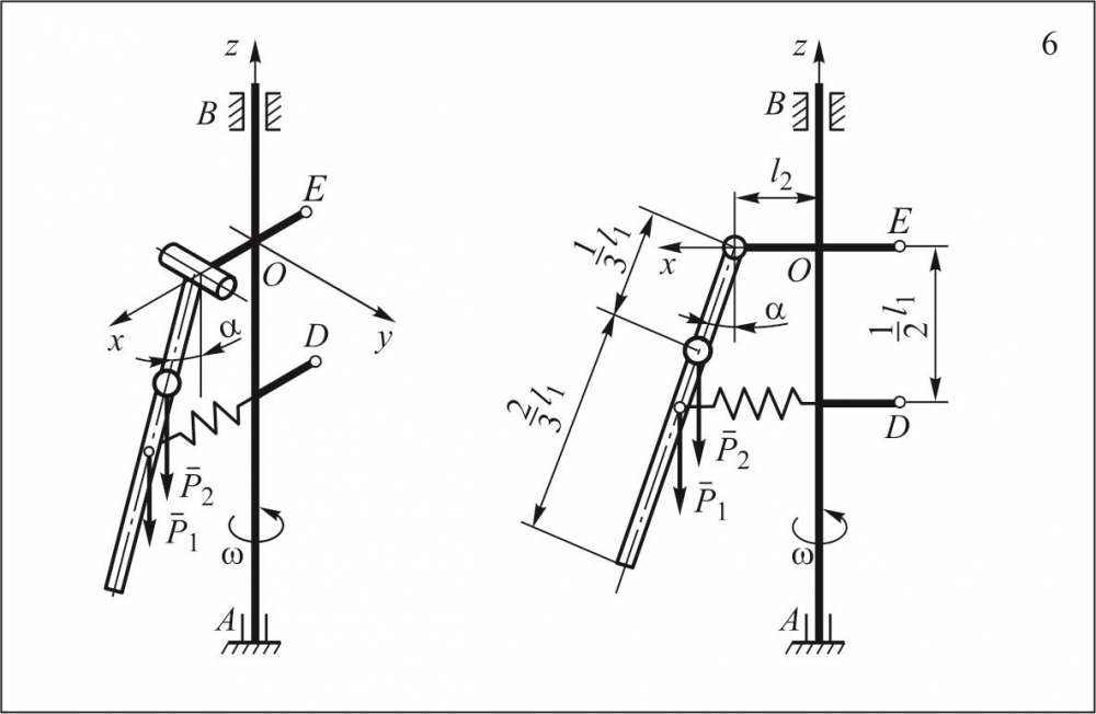
Вариант №6Условие 2025 г.
| P1 | P2 | l1 | l2 | α | c | AB | OA | OE=OD |
|---|---|---|---|---|---|---|---|---|
| 200 Н | 30 Н | 0.5 м | 0.1 м | 5° | 15000 Н/м | 1.2 м | 0.6 м | 0.2 м |

Файлы условия, демо
Характеристики домашнего задания
Предмет
Учебное заведение
Семестр
Номер задания
Вариант
Просмотров
63
Качество
Фото рукописных листов
Размер
2,32 Mb
Список файлов
ДЗ-3. Динамические реакции подшипников. Вариант №6.pdf
Комментарии
Нет комментариев
Стань первым, кто что-нибудь напишет!
МГТУ им. Н.Э.Баумана
Vasilevsk3005


















