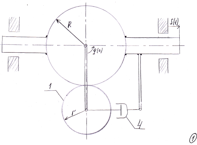
Для студентов МГТУ им. Н.Э.Баумана по предмету Теоретическая механикаКолебания линейной системы с одной степенью свободыКолебания линейной системы с одной степенью свободы
5,0055
2021-07-052021-07-05СтудИзба
ДЗ 2: Колебания линейной системы с одной степенью свободы вариант 5
Описание
Характеристики домашнего задания
Предмет
Учебное заведение
Семестр
Номер задания
Вариант
Просмотров
100
Размер
5,28 Mb
Список файлов
www.yotx.ru (2).png
www.yotx.ru (3).png
www.yotx.ru (4).png
www.yotx.ru (5).png
АЧХ.png
Колебания.pdf
Комментарии
Нет комментариев
Стань первым, кто что-нибудь напишет!
МГТУ им. Н.Э.Баумана


















