Для студентов МГТУ им. Н.Э.Баумана по предмету Теоретическая механикаКолебания линейной системы с одной степенью свободыКолебания линейной системы с одной степенью свободы
5,0052
2021-06-062021-06-06СтудИзба
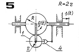
ДЗ 2: Колебания линейной системы с одной степенью свободы вариант 5
Описание
Сдано в 2020 году.
![]()


Файлы условия, демо
Характеристики домашнего задания
Предмет
Учебное заведение
Семестр
Номер задания
Вариант
Просмотров
63
Качество
Скан рукописных листов
Размер
1,57 Mb
Список файлов
ДЗ 2 вар5.pdf
ДЗ 3 вар5.pdf