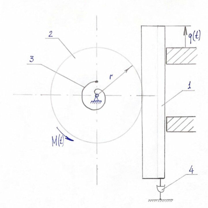
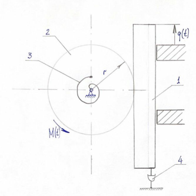
Для студентов МГТУ им. Н.Э.Баумана по предмету Теоретическая механикаКолебания линейной системы с одной степенью свободыКолебания линейной системы с одной степенью свободы
4,89556
2021-03-122021-03-12СтудИзба
ДЗ 2: Колебания линейной системы с одной степенью свободы вариант 9
Описание
Характеристики домашнего задания
Предмет
Учебное заведение
Семестр
Номер задания
Вариант
Просмотров
45
Размер
4,72 Mb
Список файлов
._Второи_ типарь по термеху.pdf
._Третии_ типарь по термеху.pdf
Второи_ и третии_ типарь по термеху
Второи_ типарь по термеху.pdf
Третии_ типарь по термеху.pdf
Комментарии
Нет комментариев
Стань первым, кто что-нибудь напишет!
МГТУ им. Н.Э.Баумана


















