Для студентов МГТУ им. Н.Э.Баумана по предмету Теоретическая механикаКолебания линейной системы с одной степенью свободыКолебания линейной системы с одной степенью свободы
4,62574
2021-01-112021-01-11СтудИзба
ДЗ 2: Колебания линейной системы с одной степенью свободы вариант 9
Описание
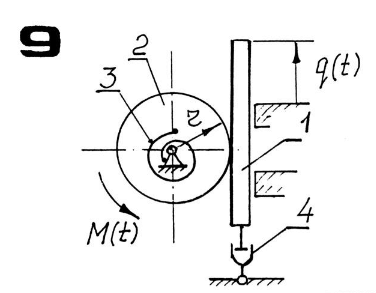
ДЗ№2 "Колебания линейной системы с одной степенью свободы", графики в маткаде, приняла Гартиг Е.Б. Задание с сайта кафедры и представлено на картинке ![]()

Характеристики домашнего задания
Предмет
Учебное заведение
Семестр
Номер задания
Вариант
Просмотров
41
Размер
969,61 Kb
Список файлов
ДЗ№2 по теоретической механике.pdf
Качество, проверенное преподами
Комментарии
Нет комментариев
Стань первым, кто что-нибудь напишет!
МГТУ им. Н.Э.Баумана
holodok

















