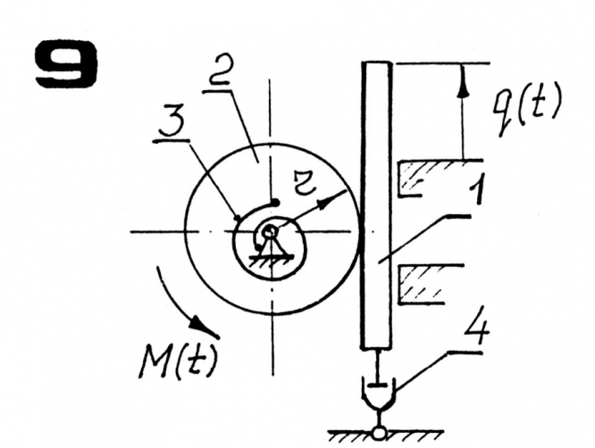
Для студентов МГТУ им. Н.Э.Баумана по предмету Теоретическая механикаКолебания линейной системы с одной степенью свободыКолебания линейной системы с одной степенью свободы
5,0051
2020-09-152020-09-15СтудИзба
ДЗ 2: Колебания линейной системы с одной степенью свободы вариант 9
Описание
Характеристики домашнего задания
Предмет
Учебное заведение
Семестр
Номер задания
Вариант
Просмотров
64
Качество
Фото печатных листов
Размер
1,7 Mb
Список файлов
ДЗ 2_3 Вариант 9.pdf
Комментарии
Нет комментариев
Стань первым, кто что-нибудь напишет!
МГТУ им. Н.Э.Баумана
boshki


















