Контрольная по сварке, резанию и ремонту поршней
Другое: Физикохимические основы сварки, процесс резания и технология восстановления головок поршней
Вариант 8
1. Физико-химические основы образования сварного соединения
2. Физико-химические основы процесса резания. Механические основы процесса резания
3. Опишите виды работ, выполняемых на станках фрезерной группы, соответствующие инструменты, оснастку, приспособления.
4. Технологические процессы восстановления головок поршней двигателей. (Представить в виде технологической карты (способы, оборудование, операции.))
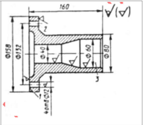
5. Задача. По эскизу детали рисунка, разработайте эскизы элементов литейной формы, модели стержневого ящика, собранной литейной формы, последовательность изготовления формы методом ручной формовки. Материал детали СЧ20.
Показать/скрыть дополнительное описание
1. Физико-химические основы образования сварного соединения
2. Физико-химические основы процесса резания. Механические основы процесса резания
3. Опишите виды работ, выполняемых на станках фрезерной группы, соответствующие инструменты, оснастку, приспособления.
4. Технологические процессы восстановления головок поршней двигателей. (Представить в виде технологической карты (способы, оборудование, операции.))
5. Задача. По эскизу детали рисунка, разработайте эскизы элементов литейной формы, модели стержневого ящика, собранной литейной формы, последовательность изготовления формы методом ручной формовки. Материал детали СЧ20.
Показать/скрыть дополнительное описаниеРабота раскрывает физико‑химические основы сварки и механические аспекты резания, даёт пошаговую технологическую карту восстановления головок поршней и проект литейной формы для чугуна СЧ20. Подходит студентам машиностроительных дисциплин и техникам цехов ремонта..
Характеристики учебной работы
Тип
Предмет
Учебное заведение
Семестр
Просмотров
1
Размер
16,48 Mb
Список файлов
Эссе картинки
Контр №2 ЭССЕ Вариант 8 _Страница_01.jpg
Контр №2 ЭССЕ Вариант 8 _Страница_02.jpg
Контр №2 ЭССЕ Вариант 8 _Страница_03.jpg
Контр №2 ЭССЕ Вариант 8 _Страница_04.jpg
Контр №2 ЭССЕ Вариант 8 _Страница_05.jpg
Контр №2 ЭССЕ Вариант 8 _Страница_06.jpg
Контр №2 ЭССЕ Вариант 8 _Страница_07.jpg
Контр №2 ЭССЕ Вариант 8 _Страница_08.jpg
Контр №2 ЭССЕ Вариант 8 _Страница_09.jpg
Контр №2 ЭССЕ Вариант 8 _Страница_10.jpg
Контр №2 ЭССЕ Вариант 8 _Страница_11.jpg
Контр №2 ЭССЕ Вариант 8 _Страница_12.jpg
Контр №2 ЭССЕ Вариант 8 _Страница_13.jpg
Контр №2 ЭССЕ Вариант 8 _Страница_14.jpg
Контр №2 ЭССЕ Вариант 8 _Страница_15.jpg
Контр №2 ЭССЕ Вариант 8 _Страница_16.jpg
Контр №2 ЭССЕ Вариант 8 _Страница_17.jpg
Контр №2 ЭССЕ Вариант 8 _Страница_18.jpg
Контр_2_ЭССЕ.docx
🎓 Никольский - Помощь студентам 📚 Любые виды работ: тесты, сессии под ключ, практики, курсовые и дипломные с гарантией результата ✅ Все услуги под ключ ✅ Знаем все тонкости именно вашего ВУЗа ✅ Сдадим или вернем деньги
Комментарии
Нет комментариев
Стань первым, кто что-нибудь напишет!
МФПУ «Синергия»
nikolskypomosh














