Для студентов МГТУ им. Н.Э.Баумана по предмету Технология разработки программных систем (ТРПС)Тестирование программного обеспеченияТестирование программного обеспечения
5,0055
2024-04-262024-04-26СтудИзба
ИУ6 лабораторная работа по тестированию ТРПС 24 вариант Пугачёв
Лабораторная работа 3: Тестирование программного обеспечения вариант 24
Описание
Не забывайте ставить оценки, соответствующие качеству работы!
В лабораторной работе представлено 3 отдельных задания. Структурный контроль, белый ящик и чёрный ящик. Все задания были решены для 24 варианта.
Отчёт был принят с первого раза, найденные при тестировании ошибки совпали с преподавательскими ответами.
Задания для структурного контроля: Программа должна генерировать массив двузначных целых чисел, сортировать элементы по не убыванию, удалять элемент массива, если он существует (если элементов несколько, то удалять все). Элемент массива пользователь вводит с клавиатуры.
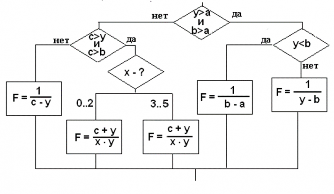
Задание для белого ящика:
Задание для чёрного ящика:
В лабораторной работе представлено 3 отдельных задания. Структурный контроль, белый ящик и чёрный ящик. Все задания были решены для 24 варианта.
Отчёт был принят с первого раза, найденные при тестировании ошибки совпали с преподавательскими ответами.
Задания для структурного контроля: Программа должна генерировать массив двузначных целых чисел, сортировать элементы по не убыванию, удалять элемент массива, если он существует (если элементов несколько, то удалять все). Элемент массива пользователь вводит с клавиатуры.
Задание для белого ящика:


Файлы условия, демо
Характеристики лабораторной работы
Учебное заведение
Семестр
Номер задания
Вариант
Программы
Просмотров
79
Размер
2,64 Mb
Преподаватели
Список файлов
ИУ6_ТРПС_ЛР_Тестирование_24.docx