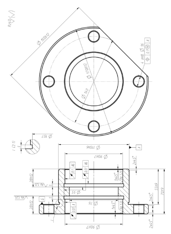
Для студентов МГТУ им. Н.Э.Баумана по предмету Технология производства авиационных двигателей и энергетических установокДомашнее задание "Проектирование маршрутной технологии процесса изготовления детали" (вариант №ТМ23С)Домашнее задание "Проектирование маршрутной технологии процесса изготовления детали" (вариант №ТМ23С)
5,0052
2021-02-092021-02-09СтудИзба
ДЗ: Домашнее задание "Проектирование маршрутной технологии процесса изготовления детали" (вариант №ТМ23С)
Описание


Характеристики домашнего задания
Учебное заведение
Семестр
Просмотров
69
Размер
892,43 Kb
Список файлов
Домашнее задание (вариант №ТМ23С)
РПЗ.pdf
Чертеж.pdf

НОВИНКА: отчеты по практикам! Поиск - по названию предприятия в тэге. База учебных материалов МГТУ им. Н.Э. Баумана в формате pdf, оригиналы файлов отсутствуют (если иное не оговорено в описании). Вопросы задавайте ДО покупки в комментариях под файлами.