ДЗ: Разработка технологии изготовления детали Корпусная детать вариант 26
Описание
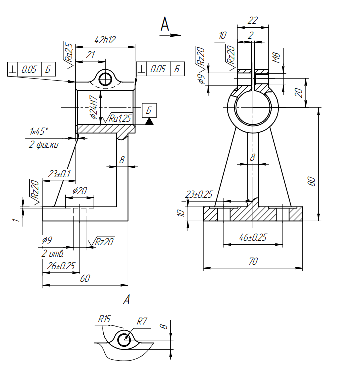
Здесь предоставлены чертеж корпусной детали, для которой заданы размеры и, собственно, сама маршрутная карта по изготовлению данной детали с учетом пожеланий преподавателя. ![]()

Характеристики домашнего задания
Учебное заведение
Семестр
Вариант
Программы
Просмотров
21
Качество
Идеальное компьютерное
Размер
568,06 Kb
Преподаватели
Список файлов
Деталь Гемба.cdw
ДЗ_ТМ.docx
Комментарии
Нет комментариев
Стань первым, кто что-нибудь напишет!
МГТУ им. Н.Э.Баумана

















