Для студентов МГТУ им. Н.Э.Баумана по предмету Технология машиностроения (ТМ)ДЗ №2 - Сборка - Штамп для вытяжки сферического днищаДЗ №2 - Сборка - Штамп для вытяжки сферического днища
5,0052
2020-05-282020-05-28СтудИзба
Курсовая работа: ДЗ №2 - Сборка - Штамп для вытяжки сферического днища
Описание
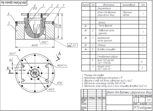
Домашнее задание №4
«Разработка технологического процесса сборки сборочной единицы КШО»
- Назначение сборочной единицы. Описание конструктивных особенностей и условий работы заданного узла.
- Назначение и анализ технических требований, выявление технологических задач, разработка схем контроля основных требований геометрической точности.
- Качественный анализ технологичности конструкции заданного узла.
- Выбор и обоснование метода обеспечения точности сборки. Расчет размерной цепи.
- Разработка технологической схемы сборки.
- Оформление технологических карт сборки.

Характеристики курсовой работы
Учебное заведение
Просмотров
86
Размер
2,6 Mb
Список файлов
Отправить 2 файла
2.0МК и ОК.PDF
2.0моё ДЗ.docx
Мой Чертеж.cdw
Мой Чертеж.cdw.bak
Мой Чертеж.pdf
Моя Схемка.frw
Моя Схемка.frw.bak
Моя Схемка1.pdf
Операция 25.cdw
Операция 25.cdw.bak
Операция 25.pdf
Размерная цепь.cdw
Размерная цепь.pdf
технология.pdf
технология1.docx
технология1.pdf
Комментарии
Нет комментариев
Стань первым, кто что-нибудь напишет!
МГТУ им. Н.Э.Баумана


















