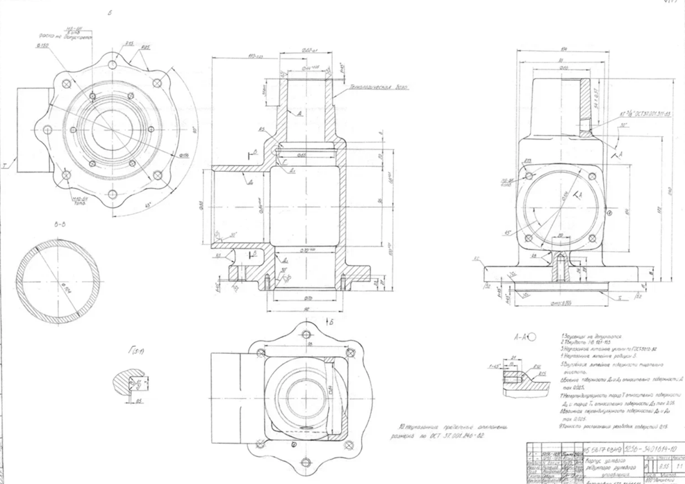
ДЗ 2: Разработка технологического маршрута обработки детали - Корпус вариант 9
Описание
Работа принята Бекаевым А.А.
В zip архиве также прикреплены модели выполненные в Компас-3D
![]()
В zip архиве также прикреплены модели выполненные в Компас-3D

Характеристики домашнего задания
Учебное заведение
Номер задания
Вариант
Программы
Просмотров
8
Качество
Идеальное компьютерное
Размер
5,53 Mb
Список файлов
Комментарии
Нет комментариев
Стань первым, кто что-нибудь напишет!
МГТУ им. Н.Э.Баумана















