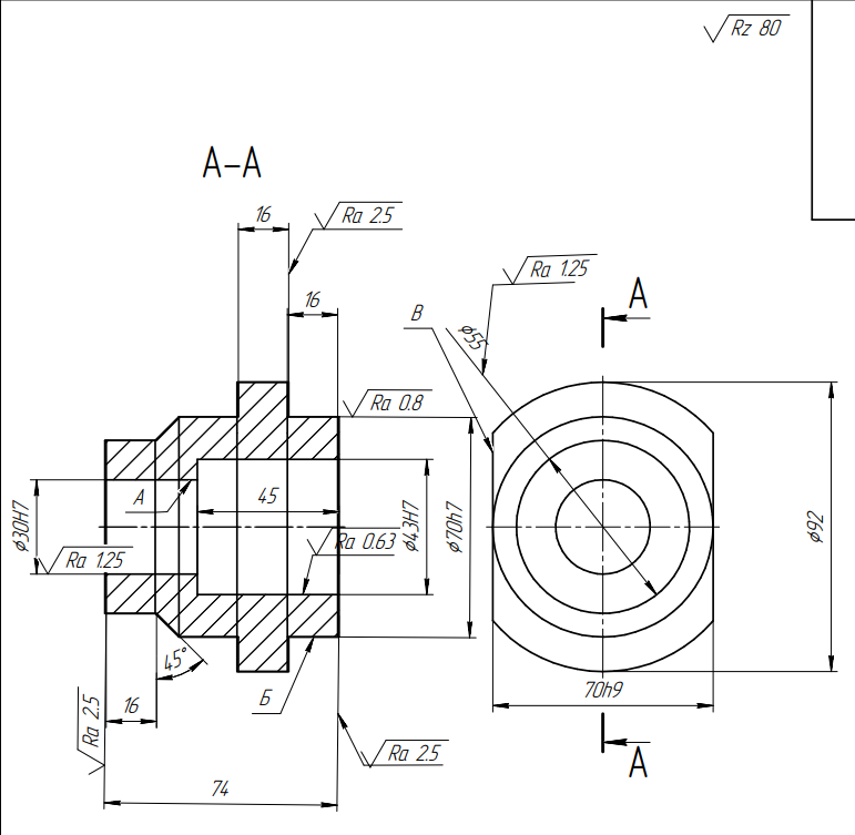
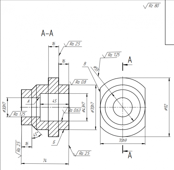
ДЗ 1: Разработка технологии изготовления отливок - Втулка опорная вариант 14
Описание
Характеристики домашнего задания
Учебное заведение
Номер задания
Вариант
Программы
Просмотров
189
Качество
Идеальное компьютерное
Размер
1,01 Mb
Преподаватели
Список файлов
chast1.pdf
Litnikovaya_sistema.pdf
Otlivka.pdf
Комментарии
Нет комментариев
Стань первым, кто что-нибудь напишет!
МГТУ им. Н.Э.Баумана
A45162

















