Для студентов МГТУ им. Н.Э.Баумана по предмету Технология конструкционных материалов (ТКМ)Механическая обработка деталей машин - КривошипМеханическая обработка деталей машин - Кривошип
5,0052
2024-03-122025-04-28СтудИзба
ДЗ 3: Механическая обработка деталей машин - Кривошип вариант 9
-32%
Описание
Содержание
Задача 1- Анализ исходных данных
- Выбор способа обработки
- Выбор заготовки
- Условия технической реализации
- Оценка технологичности конструкции детали
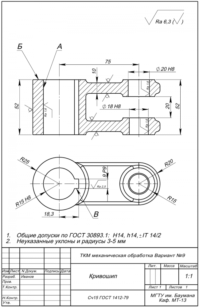
Чертежи
- Исходная деталь
- Деталь технологически оптимизированной конструкции
- Обработка заданных поверхностей
- Заготовка
На схемах обработки выделены красным цветом обрабатываемые поверхности, показаны инструмент и закрепление заготовки, направления формообразующих движений.
Файлы условия, демо
Характеристики домашнего задания
Учебное заведение
Номер задания
Вариант
Теги
Просмотров
30
Качество
Идеальное компьютерное
Размер
748,05 Kb
Список файлов
Заготовка.cdw
Кривошип вариант 9.docx
Схемы обработки.cdw
Чертеж детали.cdw
Чертеж доработанной детали.cdw

✋✋ Не забудь поставить оценку ✋✋