Для студентов МГТУ им. Н.Э.Баумана по предмету Технология конструкционных материалов (ТКМ)Механическая обработка заготовок деталей машин - Вал ведущийМеханическая обработка заготовок деталей машин - Вал ведущий
5,0052
2024-02-012024-02-01СтудИзба
ДЗ 2: Механическая обработка заготовок деталей машин - Вал ведущий вариант 2
Описание
Домашнее задание №2 по ТКМ вариант 2
Условие:
Содержание:
Условие:
Содержание:
• Анализ детали
• Выбор заготовки
• Последовательность обработки поверхностей детали
• Оценка технологичности конструкции
• Анализ поверхностей А-В и выбор способов их обработки
• Анализ способов обработки поверхностей А-В
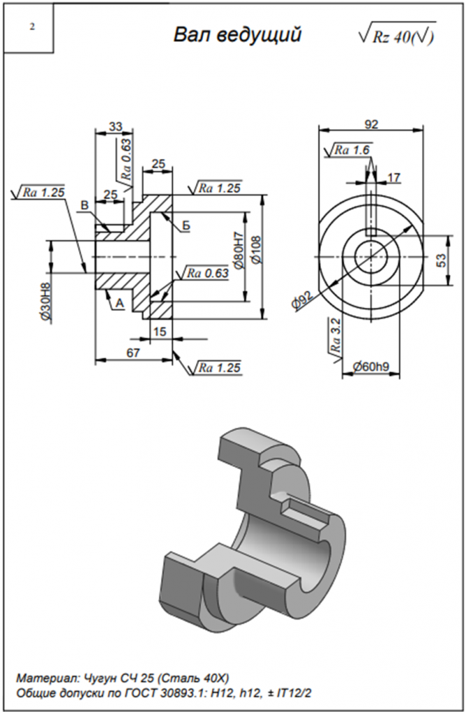
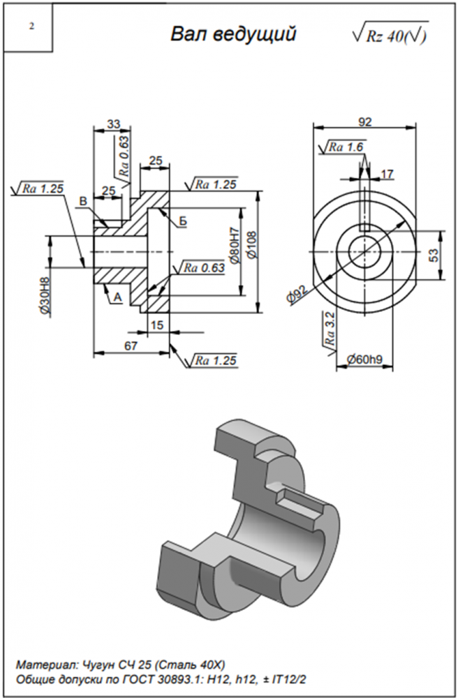
Рисунки:- Исходная деталь
- Заготовка
- Нумерация поверхностей
- Технологичный вариант детали
- Точение поверхности А
- Шлифование поверхности Б
- Фрезерование поверхности В
Файлы условия, демо
Характеристики домашнего задания
Учебное заведение
Номер задания
Вариант
Программы
Просмотров
87
Качество
Идеальное компьютерное
Размер
246,85 Kb
Список файлов
ДЗ2 ТКМ.docx
Комментарии
Нет комментариев
Стань первым, кто что-нибудь напишет!
МГТУ им. Н.Э.Баумана


















