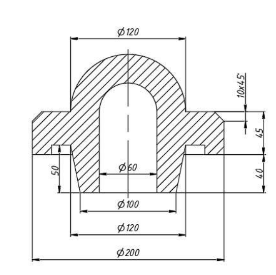
Для студентов МГТУ им. Н.Э.Баумана по предмету Технология конструкционных материалов (ТКМ)Горячая объёмная штамповка в открытых штампах на кривошипных горячештамповочных прессах (КГШП) - НасадкаГорячая объёмная штамповка в открытых штампах на кривошипных горячештамповочных прессах (КГШП) - Насадка
5,00514
2023-02-112023-02-11СтудИзба
ДЗ 2: Горячая объёмная штамповка в открытых штампах на кривошипных горячештамповочных прессах (КГШП) - Насадка вариант 19
Описание

Характеристики домашнего задания
Учебное заведение
Номер задания
Вариант
Просмотров
64
Качество
Идеальное компьютерное
Размер
2,45 Mb
Список файлов
ДЗ№2
MathCAD + AutoCAD (картинки)
ДЗ№2.xmcd
ТКМ.dwg
ТКМ_экпорт.dwg
Справочные материалы
Задания по штамповке.doc
Семинар - штамповка.doc
Формулы объёмов.doc
Части сборного PDF-файла
1 резка.pdf
2 предв форм.pdf
3 штамповка.pdf
4 обрезка облоя.pdf
Mathcad - ДЗ ткм.pdf
Титул.pdf
ТКМ ДЗ_2__.pdf
Титульник.docx
МГТУ им. Н.Э.Баумана


















