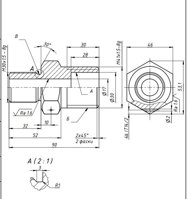
Для студентов МГТУ им. Н.Э.Баумана по предмету Технология конструкционных материалов (ТКМ)Механическая обработка заготовок деталей машин - ШтуцерМеханическая обработка заготовок деталей машин - Штуцер
5,0052
2023-02-032023-02-03СтудИзба
ДЗ 3: Механическая обработка заготовок деталей машин - Штуцер вариант 47
Описание
Характеристики домашнего задания
Учебное заведение
Номер задания
Вариант
Просмотров
58
Размер
1,05 Mb
Список файлов
Приложение 5.pdf
Приложение 6.pdf
МОё.pdf
Приложение 1.pdf
Приложение 2.pdf
Приложение 3.pdf
Приложение 4.pdf
Комментарии
Нет комментариев
Стань первым, кто что-нибудь напишет!
МГТУ им. Н.Э.Баумана
alexyloveyou


















