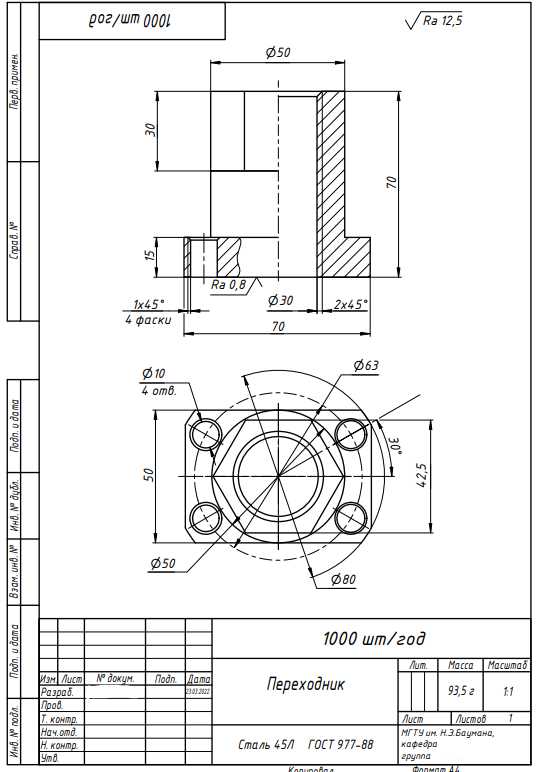
Для студентов МГТУ им. Н.Э.Баумана по предмету Технология конструкционных материалов (ТКМ)Механическая обработка заготовок деталей машин - ВтулкаМеханическая обработка заготовок деталей машин - Втулка
5,0054
2022-09-082022-09-08СтудИзба
ДЗ 3: Механическая обработка заготовок деталей машин - Втулка вариант 11
Описание
Механическая обработка заготовок ![]()

Характеристики домашнего задания
Учебное заведение
Номер задания
Вариант
Программы
Просмотров
104
Качество
Идеальное компьютерное
Размер
186,73 Kb
Список файлов
ДЗ_2.docx
Комментарии
Нет комментариев
Стань первым, кто что-нибудь напишет!
МГТУ им. Н.Э.Баумана


















