Для студентов МГТУ им. Н.Э.Баумана по предмету Технология конструкционных материалов (ТКМ)Разработка технологии изготовления отливок - СтойкаРазработка технологии изготовления отливок - Стойка
5,0052
2022-05-262024-09-01СтудИзба
ДЗ 1: Разработка технологии изготовления отливок - Стойка вариант 14
-51%
Описание
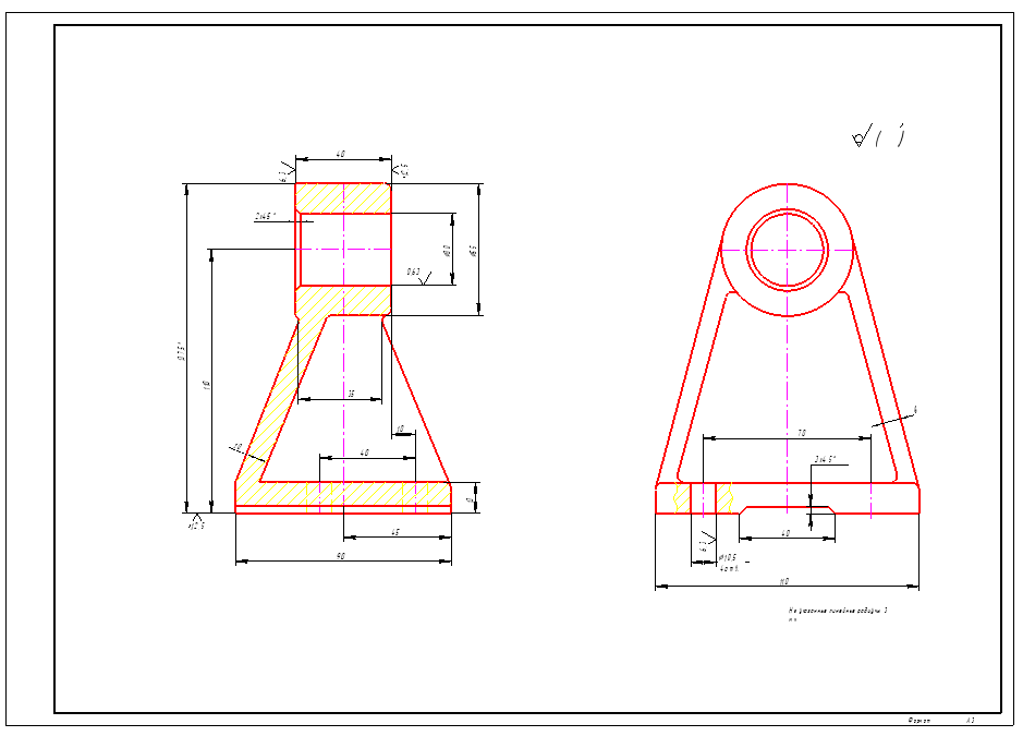
Разработать технологию изготовления отливки. Исходные данные заданы в виде чертежа детали, которую необходимо получить.
Содержание
- Расчет
- 1. Анализ чертежа детали.
- 2. Выбор способа изготовления отливки.
- 3.Составление чертежа элементов литейной формы.
- 3.1 Выбор положения отливки во время заливки.
- 3.2 Выбор припуска на механическую обработку.
- а. Определение класса точности размеров и ряда припусков.
- б. Выбор допуска на размер.
- в. Выбор припуска.
- 3.3 Выбор величины формовочных уклонов.
- 3.4 Определение границ стержней и размеров стержневых знаков. Количе
- 4. Проектирование литниковой системы.
- 5. Проверка технологичности литой заготовки.
Чертежи
Характеристики домашнего задания
Учебное заведение
Номер задания
Вариант
Программы
Просмотров
198
Качество
Идеальное компьютерное
Размер
54,8 Kb
Список файлов
Вариант 14 - Технология изготовления отливок - Стойка
ДЗ.doc
Чертежи.frw

Вам все понравилось? Получите кэшбэк - 40 рублей на Ваш счёт при покупке. Поставьте оценку и напишите положительный комментарий к купленному файлу. После Вы получите деньги на ваш счет.