ДЗ 3: Механическая обработка заготовок деталей машин - Муфта фланцевая вариант 14
Описание
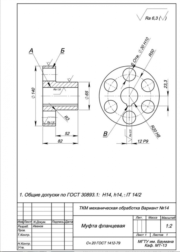
В решении представлены схемы и подробное описание обработки поверхностей А, Б и В, указанные на чертеже в условии, при помощи обработки резанием.
В зип файле находятся модели, чертежи (DWG и PDF) и расчетно-пояснительная записка (docx и pdf).
![]()
В зип файле находятся модели, чертежи (DWG и PDF) и расчетно-пояснительная записка (docx и pdf).
Характеристики домашнего задания
Учебное заведение
Номер задания
Вариант
Просмотров
83
Качество
Идеальное компьютерное
Размер
3,05 Mb
Список файлов
._за деньги 3
._.DS_Store
._ТКМ __ ___м__ 3
._рпз.docx
._рпз.pdf
._Па__Г______ 1.dwg
._Па__Г______ 2.dwg
._Па__Г______ 3.dwg
._Па__Г______ 4.dwg
._Па__Г______ 5.dwg
._Па__Г______ 6.dwg
._Па__Г______ 1.pdf
._Па__Г______ 2.pdf
._Па__Г______ 3.pdf
._Па__Г______ 4.pdf
._Па__Г______ 5.pdf
._Па__Г______ 6.pdf
._.DS_Store
._DWG
._PDF
за деньги 3
ТКМ __ ___м__ 3
DWG
Па__Г______ 1.dwg
Па__Г______ 2.dwg
Па__Г______ 3.dwg
Па__Г______ 4.dwg
Па__Г______ 5.dwg
Па__Г______ 6.dwg
PDF
Па__Г______ 1.pdf
Комментарии
Нет комментариев
Стань первым, кто что-нибудь напишет!
МГТУ им. Н.Э.Баумана
















