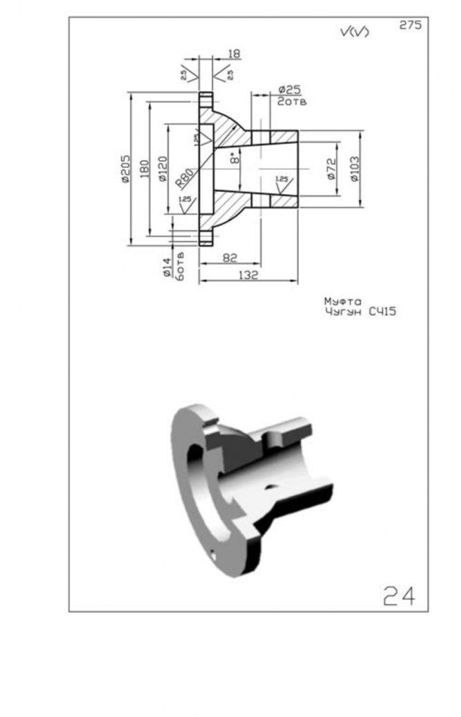
ДЗ 1: Разработка технологии изготовления отливок - Муфта вариант 24, 39
Описание
Характеристики домашнего задания
Учебное заведение
Номер задания
Просмотров
250
Размер
14,66 Mb
Список файлов
._ДЗ1
._.DS_Store
._ДЗ1 ТКМ.zip
._ДЗ1.docx
._ДЗ1.pdf
._Методы и другое
._Условие дз1.png
._Чертежи
._Метода дз1.pdf
._Пояснительная записка студизбенная.pdf
._.DS_Store
._1Муфта - чертеж.pdf
._2Муфта с припусками - чертеж.pdf
._3-1Муфта с уклонами и скруглениями - чертеж.pdf
._3-2Муфта с уклонами и скруглениями - чертеж.pdf
._4Стержень - чертеж.pdf
._Песчаная форма - чертеж.pdf
ДЗ1
Методы и другое
Метода дз1.pdf
Пояснительная записка студизбенная.pdf
Чертежи
.DS_Store
1Муфта - чертеж.pdf
2Муфта с припусками - чертеж.pdf
3-1Муфта с уклонами и скруглениями - чертеж.pdf
3-2Муфта с уклонами и скруглениями - чертеж.pdf
4Стержень - чертеж.pdf
Песчаная форма - чертеж.pdf
.DS_Store
ДЗ1 ТКМ
PDF ТКМ ДЗ1
1Муфта - чертеж.pdf
2Муфта с припусками - чертеж.pdf
3-1Муфта с уклонами и скруглениями - чертеж.pdf
3-2Муфта с уклонами и скруглениями - чертеж.pdf
4Стержень - чертеж.pdf
Песчаная форма - чертеж.pdf
Модели ТКМ ДЗ1
1Муфта.ipt
2Муфта с припусками - для чертежа.ipt
2Муфта с припусками.ipt
4Стержень.ipt
5-1Нижняя полуформа.ipt
5-2Верхняя полуформа.ipt
~2Муфта с припусками.dwg.3980.tmp
~3Муфта с уклонами и скруглениями.dwg.3980.tmp
Песчаная форма.iam
Чертежи ТКМ ДЗ1
OldVersions
3-1Муфта с уклонами и скруглениями - чертеж.0005.dwg
3-2Муфта с уклонами и скруглениями - чертеж.0006.dwg
4Стержень - чертеж.0004.dwg
Песчаная форма - чертеж.0005.dwg
1Муфта - чертеж.dwg
2Муфта с припусками - чертеж.dwg
3-1Муфта с уклонами и скруглениями - чертеж.dwg
3-2Муфта с уклонами и скруглениями - чертеж.dwg
4Стержень - чертеж.dwg
debug.log
~Муфта - чертеж.dwg.1508.tmp
Вопросы
Вопрос
А есть рассчеты с объемом и массой детали?
МГТУ им. Н.Э.Баумана


















