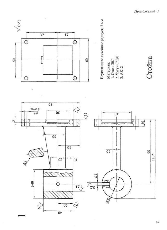
Для студентов МГТУ им. Н.Э.Баумана по предмету Технология конструкционных материалов (ТКМ)Разработка технологии изготовления отливок - СтойкаРазработка технологии изготовления отливок - Стойка
5,0051
2021-09-102021-09-10СтудИзба
ДЗ 1: Разработка технологии изготовления отливок - Стойка вариант 1
Описание
Последовательность выполнения задания:
1. Анализ чертежа детали;
2. Выбор способа изготовления отливки;
3. Анализ технологичности конструкции литой детали;
4. Разработка чертежа элементов литейной формы;
5. Проектирование и чертёж отливки;
6. Расчёт литейной формы;
7. Эскиз литейной формы.
Характеристики домашнего задания
Учебное заведение
Номер задания
Вариант
Просмотров
83
Размер
511,11 Kb
МГТУ им. Н.Э.Баумана
bAUMANec


















