Для студентов МГТУ им. Н.Э.Баумана по предмету Технология конструкционных материалов (ТКМ)Разработка технологии изготовления отливок - ВтулкаРазработка технологии изготовления отливок - Втулка
5,0051
2021-06-172021-06-17СтудИзба
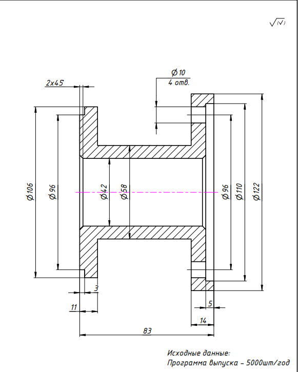
ДЗ 1: Разработка технологии изготовления отливок - Втулка вариант 3, 38
Описание

Характеристики домашнего задания
Учебное заведение
Номер задания
Просмотров
113
Размер
81,68 Kb
Список файлов
Домашнее задание №2.docx
дз2 ЛИТЕЙНАЯ ФОРМА.pdf
дз2 вариант 20 литье.pdf
дз2 литейный чертеж.pdf
Комментарии
Нет комментариев
Стань первым, кто что-нибудь напишет!
МГТУ им. Н.Э.Баумана



















