Для студентов МГТУ им. Н.Э.Баумана по предмету Технология конструкционных материалов (ТКМ)Механическая обработка заготовок деталей машин - СтаканМеханическая обработка заготовок деталей машин - Стакан
4,465171
2021-06-152021-06-15СтудИзба
ДЗ 3: Механическая обработка заготовок деталей машин - Стакан вариант 8, 21
Описание
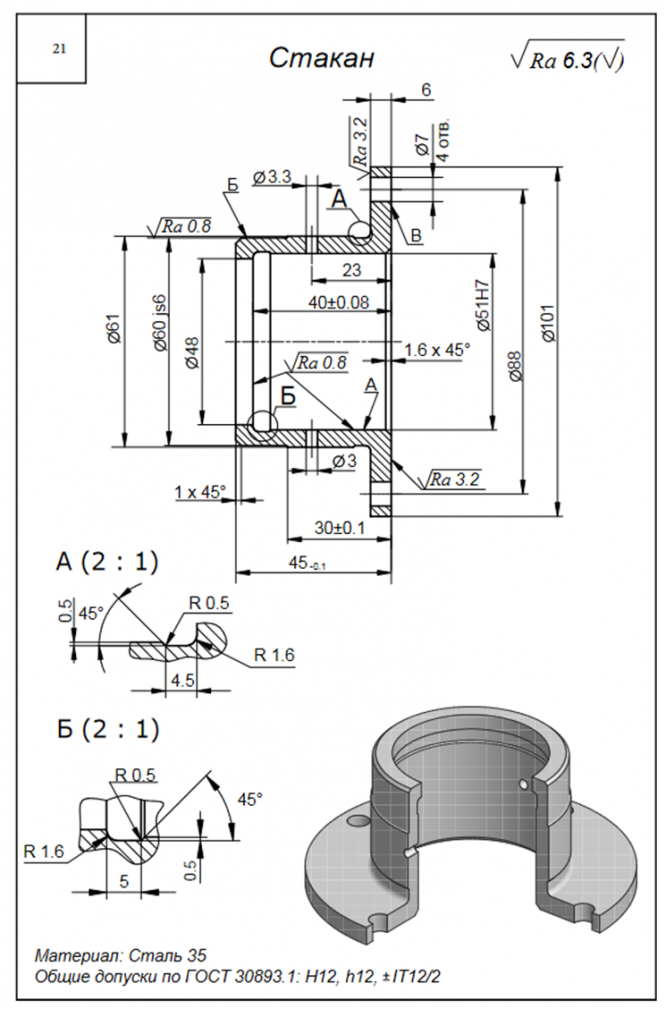
ДЗ Обработка резанием, Стакан, в ворде. Схемы обработки для трех поверхностей и чертеж улучшенной детали. Выдан и проверен Бугаевым. Само задание:

Характеристики домашнего задания
Учебное заведение
Номер задания
Просмотров
252
Размер
360,38 Kb
Список файлов
ДЗ1.docx
Качество, проверенное преподами
Комментарии

Отзыв
все вытачивается на токарном станке. Поверхность В просто отрезается.